lemon-mirror:
Home >> Porsche >> 1988 >> 924 Automatic >> Repair and Diagnosis >> Engine Performance >> System >> DME Digital Engine Control >> Wiring Diagrams

Wiring Diagrams

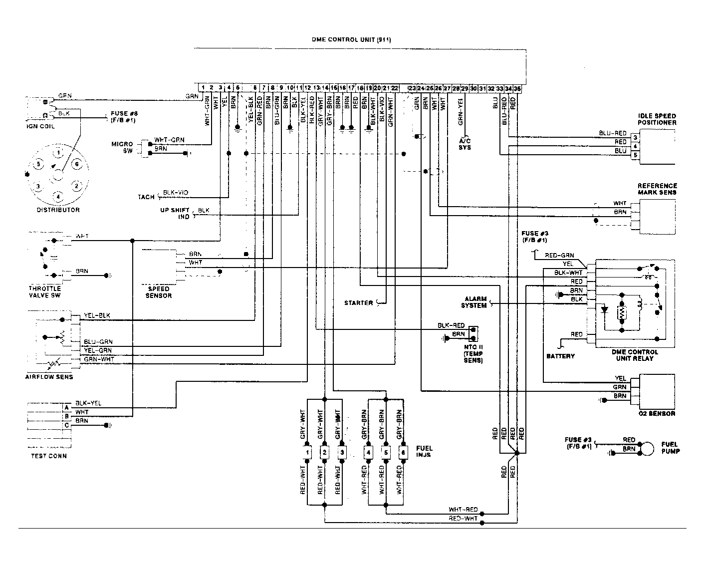
Fig 1: Wiring Diagram for Porsche 911 Carrera (Non-Turbo) DME System
G95055
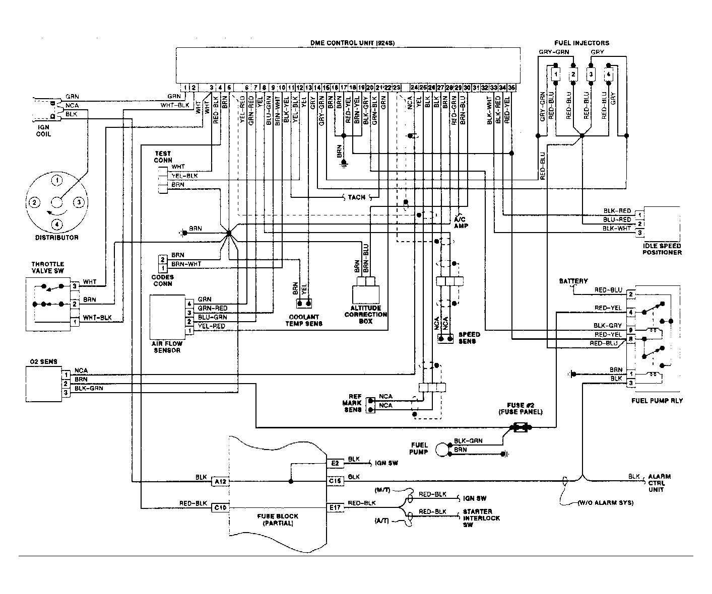
Fig 2: Wiring Diagram for Porsche 924-S DME System
G95056
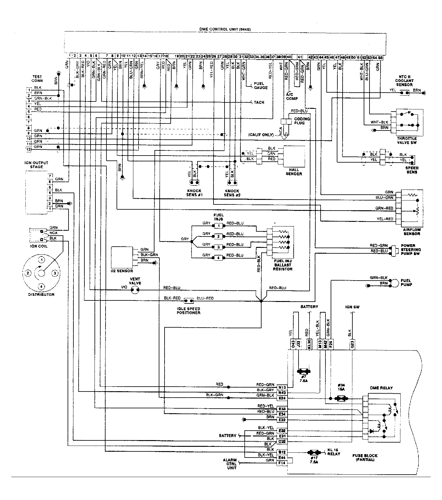
Fig 3: Wiring Diagram for Porsche 944-S DME System
G95057
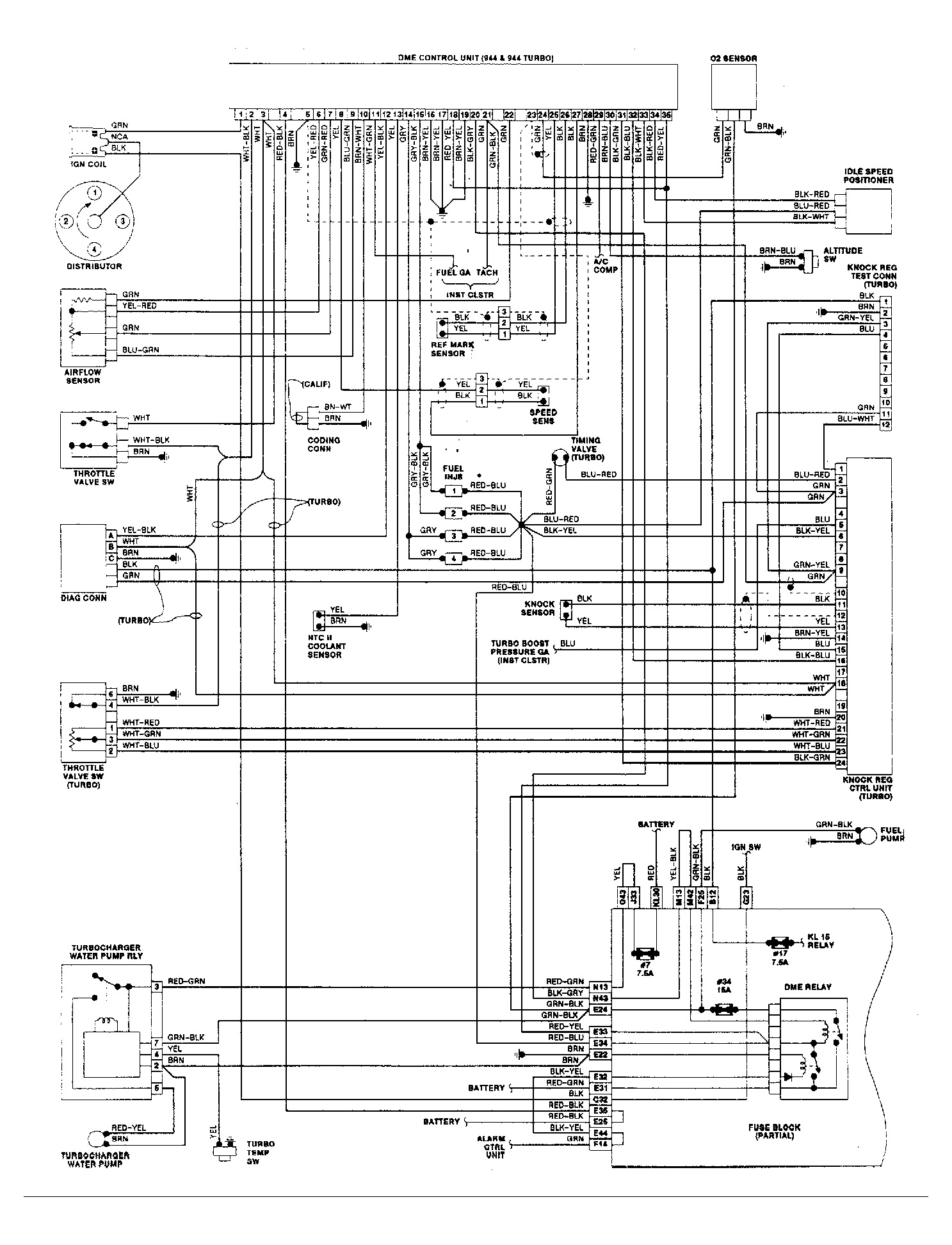
Fig 4: Wiring Diagram for Porsche 944 & 944 Turbo DME System
G95058