lemon-mirror:
Home >> Porsche >> 2010 >> Panamera Turbo >> Repair and Diagnosis >> Electrical >> Component Locations >> Electrical Component Locator >> Component Location Graphics

Component Location Graphics

NOTE: Figures may show multiple component locations. Refer to appropriate table for proper figure references.
Fig 1: Vehicle Overview (1 Of 2)
G00478838Courtesy of PORSCHE OF NORTH AMERICA, INC.
Fig 2: Vehicle Overview (2 Of 2)
G00478839Courtesy of PORSCHE OF NORTH AMERICA, INC.
Fig 3: Vehicle Overview (1 Of 2)
G00478840Courtesy of PORSCHE OF NORTH AMERICA, INC.
Fig 4: Vehicle Overview (2 Of 2)
G00478841Courtesy of PORSCHE OF NORTH AMERICA, INC.
Fig 5: E-Box
G00476366Courtesy of PORSCHE OF NORTH AMERICA, INC.
Fig 6: Seat Cross Member Relay Support
G00476367Courtesy of PORSCHE OF NORTH AMERICA, INC.
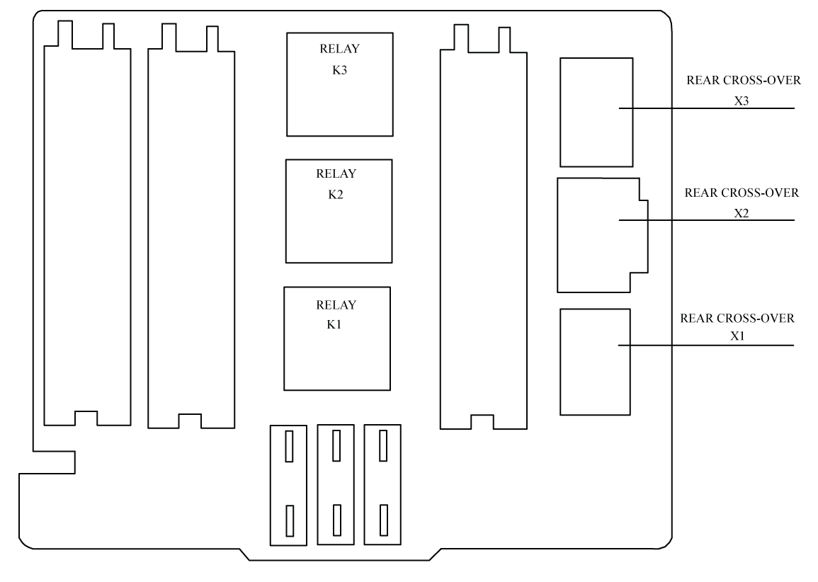
Fig 7: Rear Relay Support
G00476368Courtesy of PORSCHE OF NORTH AMERICA, INC.
Fig 8: Vehicle Overview
G00476369Courtesy of PORSCHE OF NORTH AMERICA, INC.