lemon-mirror:
Home >> Saab >> 1979 >> 900 GLE, Automatic Trans >> Repair and Diagnosis >> Engine Performance >> Engine Control Systems >> Pulse Air Injection System >> Operation

Pulse Air Injection System: Operation

The function of the pulse air system is to inject fresh air from the air cleaner directly into the exhaust manifold where it mixes with the exhaust gases.

Fig 1: Pulse Air Injection System
G09310220Courtesy of SAAB-SCANIA OF AMERICA, INC.

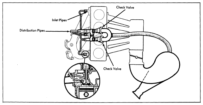
For a brief moment just prior to the closing of the exhaust valve (at start of intake stroke), a vacuum is created in the exhaust manifold which opens the check valves and a small amount of air is drawn into the exhaust manifold.

Fig 2: Inlet Pipe Alignment
G09310221Courtesy of SAAB-SCANIA OF AMERICA, INC.