lemon-mirror:
Home >> Saab >> 2000 >> 9-3 Base, 2D Convertible, Automatic >> Repair and Diagnosis >> Body & Frame >> Door Locks >> Theft Protection >> Technical Description >> Bonnet switch >> Notes

Bonnet switch: Notes

Fig 1: View Of Bonnet Switch
G03464078Courtesy of SAAB-SCANIA OF AMERICA, INC.
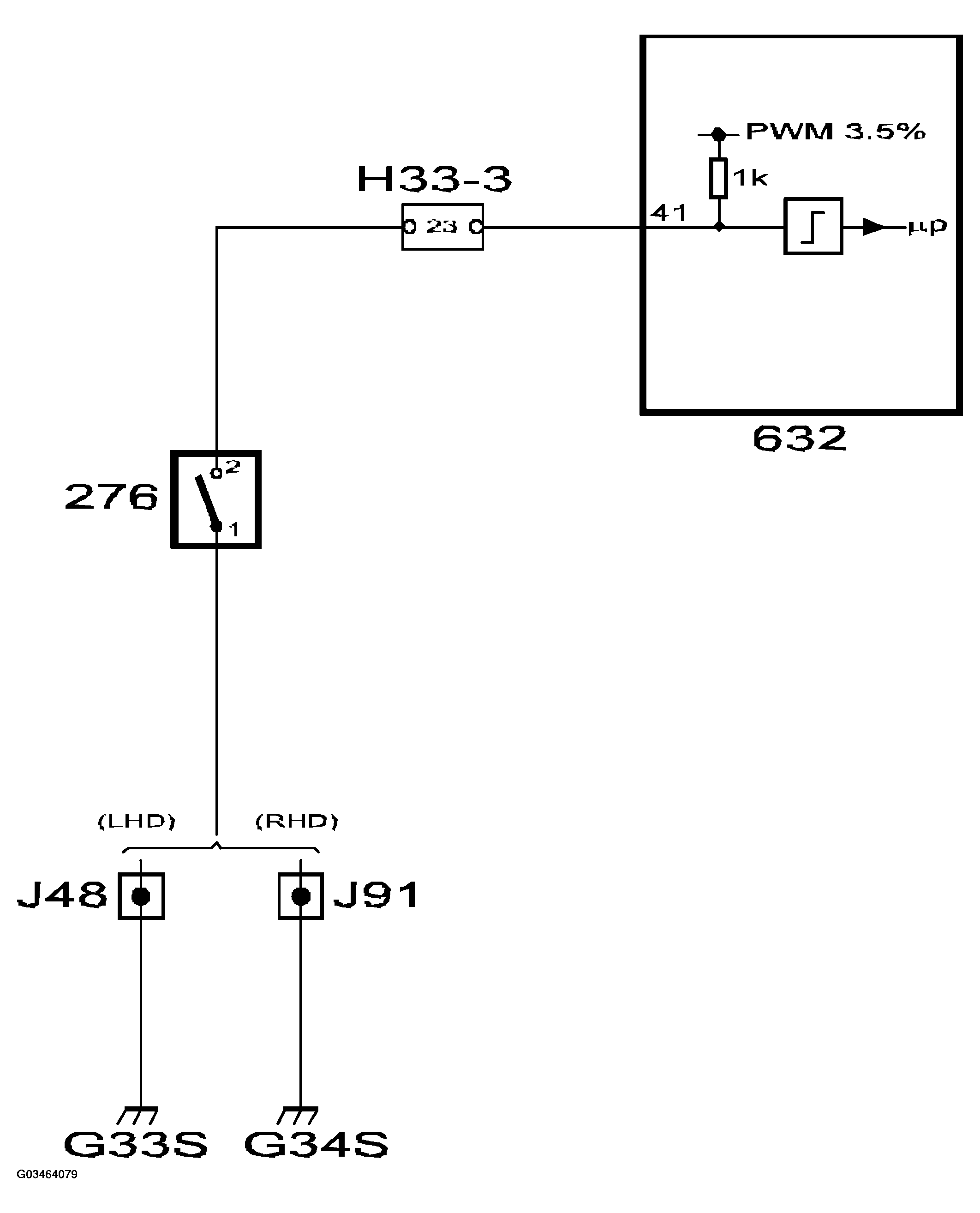
Fig 2: Bonnet switch - Circuit Diagram
G03464079Courtesy of SAAB-SCANIA OF AMERICA, INC.