lemon-mirror:
Home >> Saab >> 2000 >> 9-3 Base, 2D Convertible, Automatic >> Repair and Diagnosis >> Body & Frame >> Door Locks >> Theft Protection >> Technical Description >> Direction indicators >> Notes

Direction indicators: Notes

Fig 1: Identifying Direction Indicators
G03464086Courtesy of SAAB-SCANIA OF AMERICA, INC.
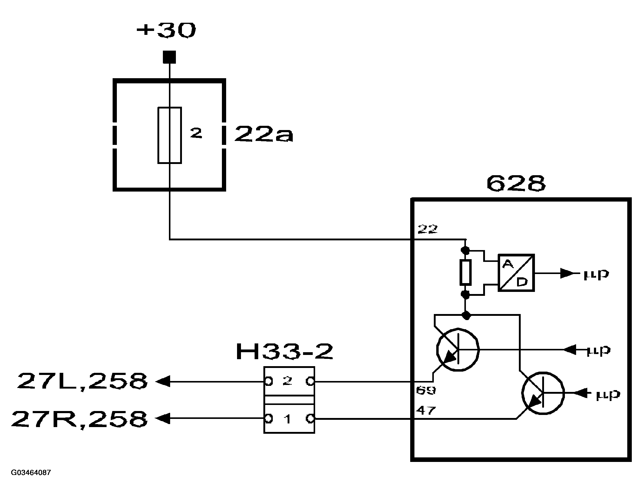
Fig 2: Direction Indicators - Circuit Diagram
G03464087Courtesy of SAAB-SCANIA OF AMERICA, INC.