lemon-mirror:
Home >> Saab >> 2000 >> 9-3 Base, 2D Convertible, Automatic >> Repair and Diagnosis >> Body & Frame >> Door Locks >> Theft Protection >> Technical Description >> Receiver, remote control >> Notes

Receiver, remote control: Notes

Fig 1: View Of Receiver, Remote Control
G03464057Courtesy of SAAB-SCANIA OF AMERICA, INC.
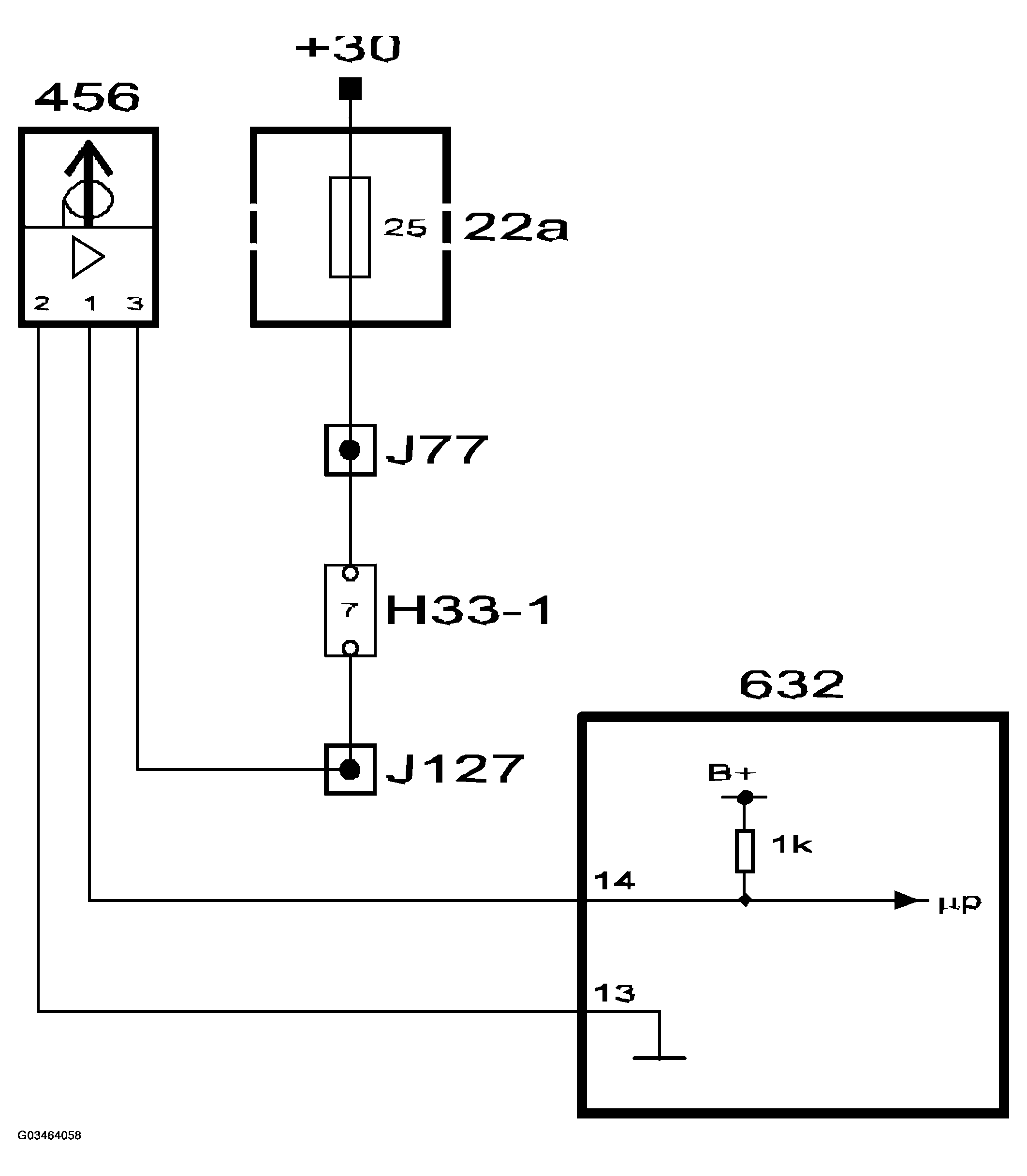
Fig 2: Receiver, Remote Control - Circuit Diagram
G03464058Courtesy of SAAB-SCANIA OF AMERICA, INC.