lemon-mirror:
Home >> Saab >> 2001 >> 9-3 Base, 2D Hatchback, Automatic >> Repair and Diagnosis >> Engine Performance >> System >> TRIONIC T7 Fuel Control System >> Technical Description >> Cruise control >> Notes

Cruise control: Notes

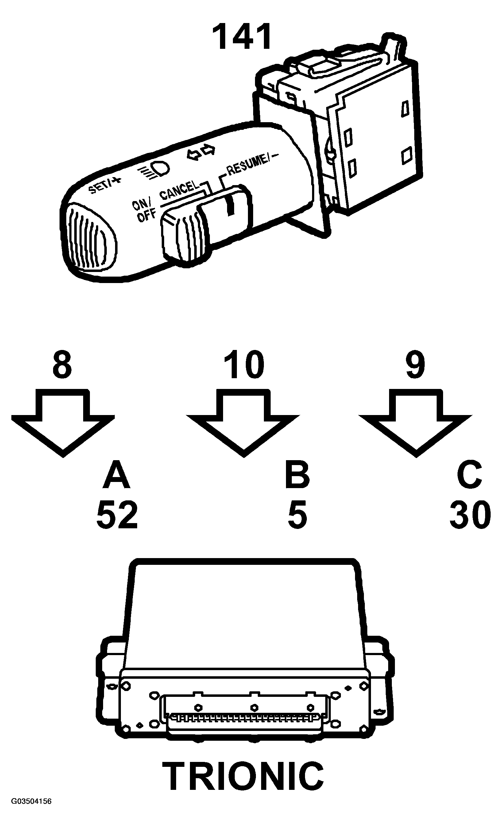
Fig 1: Identifying Cruise Control - Control Module Communication Diagram
G03504156Courtesy of SAAB-SCANIA OF AMERICA, INC.
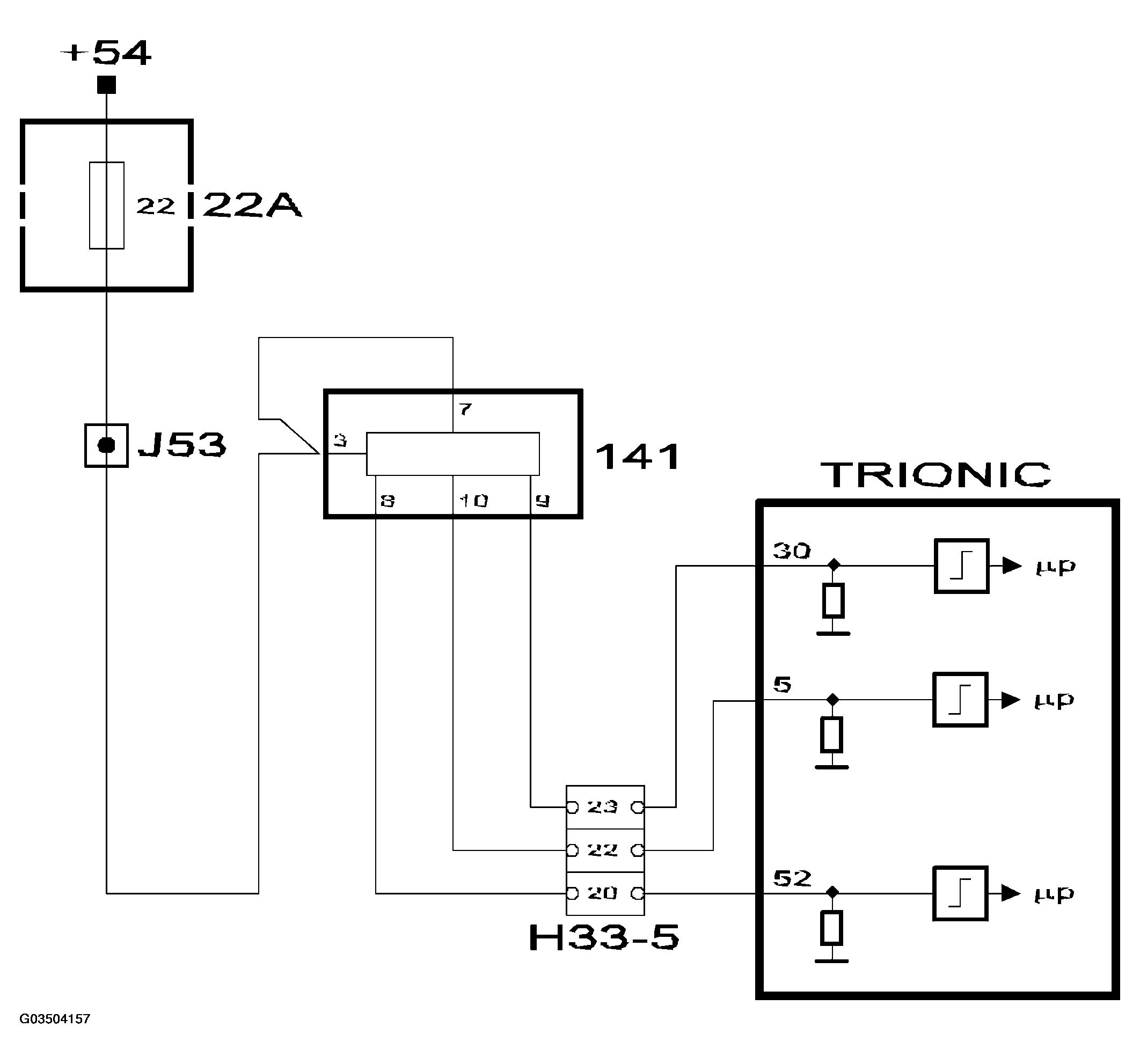
Fig 2: Identifying Cruise Control - Control Module Communication Circuit Diagram
G03504157Courtesy of SAAB-SCANIA OF AMERICA, INC.

The cruise control is maneuvered with the switch on the direction indicator stalk. The switch is powered from +54 and has three outputs to the control module (see CRUISE CONTROL OPERATION  below).

When the switch is put in position "ON", the control module will send bus information "CRUISE lamp ON". The main instrument unit will then turn on the lamp.

When the "SET" button is subsequently pressed, the control module will store the current speed in its memory on condition that other conditions for cruise control have been fulfilled.

The control module then reads through a table containing the rolling resistance on level ground at various speeds. The requested (stored) speed has now been converted to a requested drive wheel torque.

The requested drive wheel torque is then compared with the current gear and is converted to requested engine torque.

Requested engine torque is converted to requested air mass/combustion and constitutes the cruise control input signal to the air mass control.

If the car speed is lower than requested then the requested air mass/combustion is increased until the acceleration reaches a certain level. In the same way the requested air mass/combustion is decreased until deceleration reaches a certain level if the speed is higher than requested.

The control module is programmed for cruise control even if cruise control is not fitted as original equipment. Retrofitting is therefore simple.

CRUISE CONTROL OPERATION

From switch pin To control module pin Connection designation in diagnostic tool SWITCH POSITION
Zero position ON/OFF SET/+ RESUME/- CANCEL
8 52 A 0 1 0 0 0
10 5 B 0 1 1 0 1
9 30 C 0 1 0 1 1