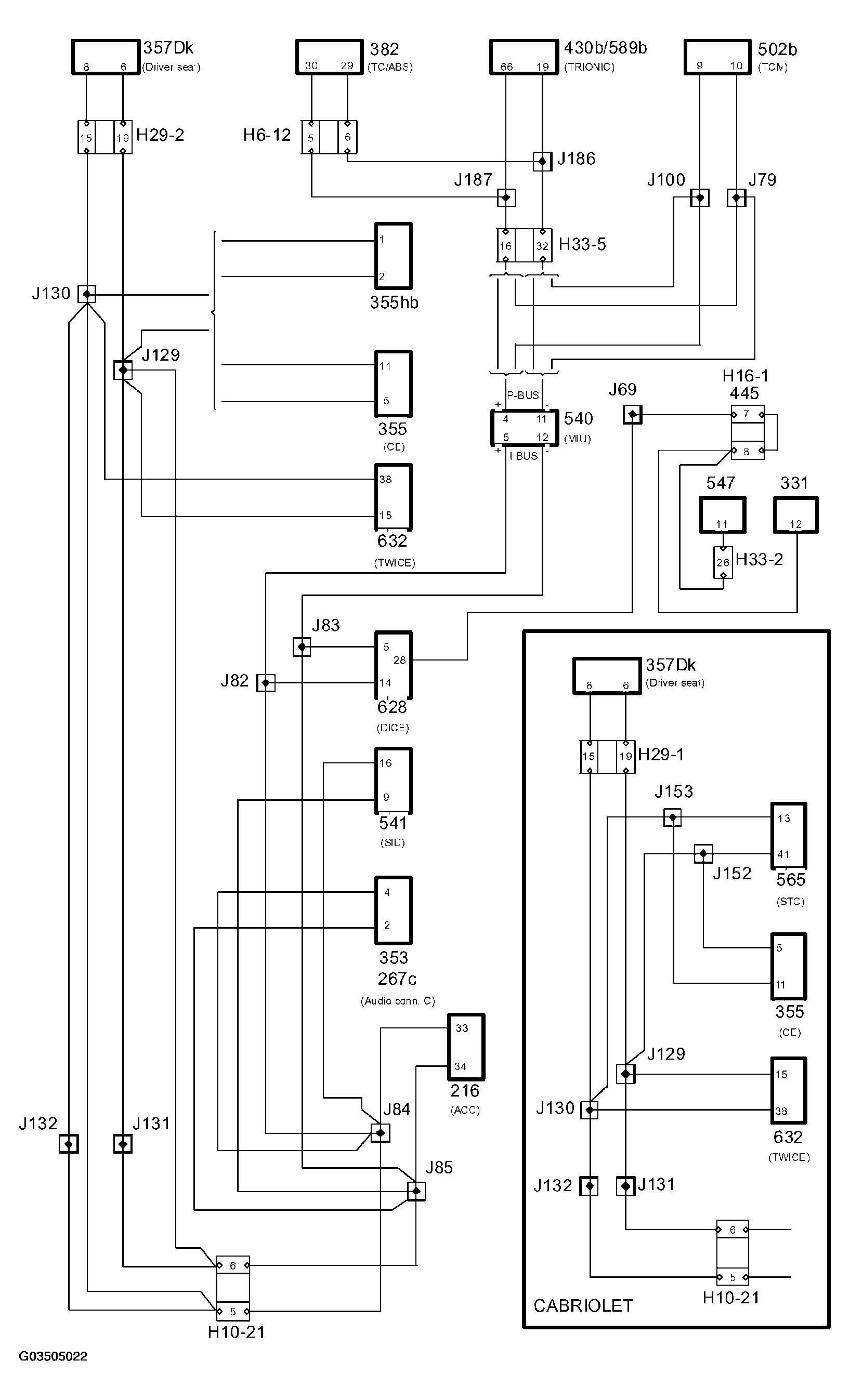
Bus communication: Notes
- ACC control module (216)
- Radio connector C (267c)
- Airbag/SRS control module (331)
- Radio (353)
- CD changer (355)
- PSM control module (357Dk)
- Trionic control module (430)
- Control module, TCM (502)
- Control module M2.10.3 (505)
- MIU (540)
- SID (541)
- Control module (ABS) 547
- STC control module (565)
- Trionic OBDII control module (589)
- Auxiliary heater control module (597)
- DICE control module (628)
- TWICE control module (632)