lemon-mirror:
Home >> Saab >> 2001 >> 9-3 Base, 2D Hatchback, Automatic >> Repair and Diagnosis >> Transmission >> Automatic Trans >> Automatic Transmission >> Technical Description >> Kickdown function >> Diagnostics

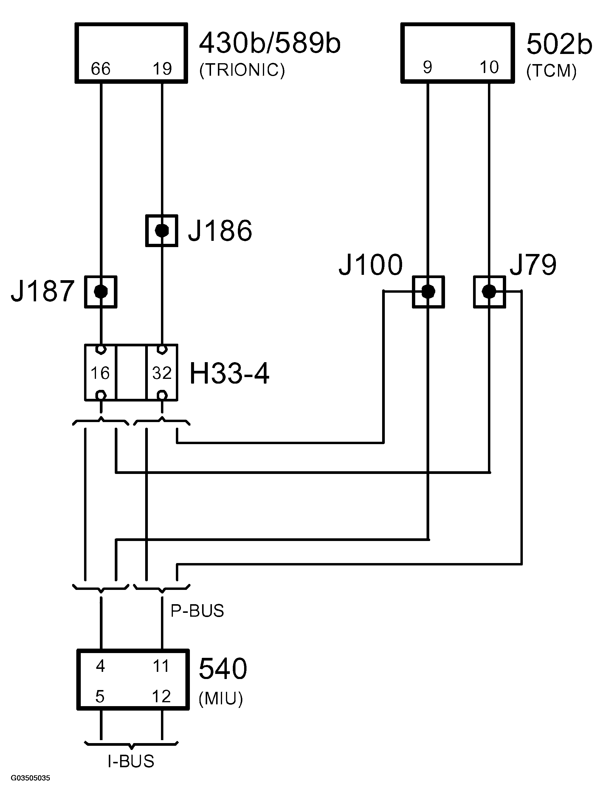
Kickdown function: Diagnostics

A diagnostic trouble code will be generated primarily in Trionic if the function is faulty.

When bus communication with Trionic ceases, diagnostic trouble code P1921 is generated and the transmission goes into limp-home mode.

Inaccurate information on the bus causes diagnostic trouble code P1971 to be generated. Depending on the fault, the TCM may activate the emergency operation program (limp-home mode).

Fig 1: Kickdown Function - Crimp
G03505035Courtesy of SAAB-SCANIA OF AMERICA, INC.