lemon-mirror:
Home >> Saab >> 2001 >> 9-3 Base, 2D Hatchback, Automatic >> Repair and Diagnosis >> Transmission >> Automatic Trans >> Automatic Transmission >> Technical Description >> Shifting program, WINTER

Shifting program, WINTER

Fig 1: Identifying Winter Shifting Program Communication
G03505029Courtesy of SAAB-SCANIA OF AMERICA, INC.
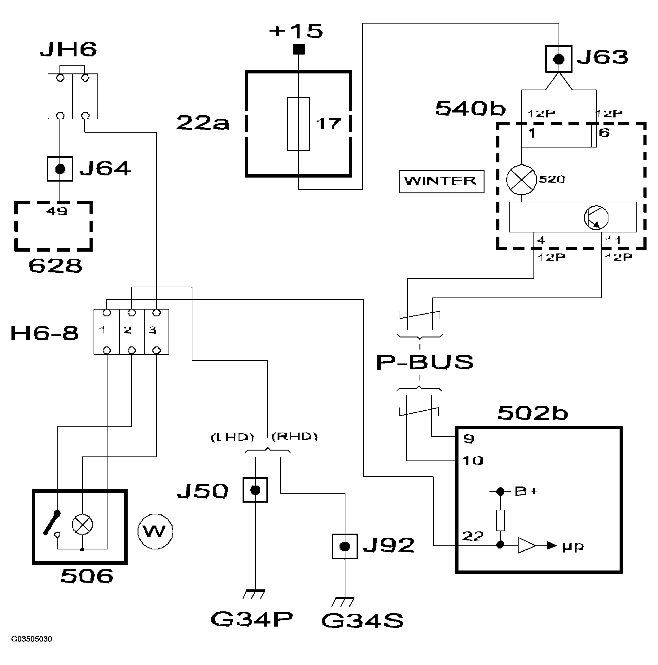
Fig 2: Winter Shifting Program - Crimp
G03505030Courtesy of SAAB-SCANIA OF AMERICA, INC.

To make it easier to pull off on slippery road surfaces, the transmission is equipped with a winter mode. The transmission then only uses 3rd and 4th gears. The car will start in 3rd gear. For kickdown, see below.

A switch, located on the selector lever console, allows the WINTER shifting program to be selected.

Activating the switch puts 0 V (ground) on control module pin 22.

WINTER can be selected in gear position D, whereby SPORT cannot be selected.

TCM sends WINTER bus information about the current setting (unit ON/OFF). When "WINTER ON" is sent, the WINTER indicator lamp on the main instrument unit lights.

Functions in various selector lever positions when WINTER shifting program is selected:

P WINTER can be selected.

R WINTER can be selected.

N WINTER can be selected.

D WINTER program in 3rd and 4th. SPORT cannot be selected and is deselected when WINTER is selected. If kickdown is activated, the normal shifting program is temporarily engaged.

3 Same as for selector lever position D except that 3rd gear is locked.

2 WINTER can not be selected.

1 WINTER can not be selected.

WINTER will be disengaged if: