lemon-mirror:
Home >> Saab >> 2003 >> 9-3 Vector, Automatic >> Repair and Diagnosis >> Brakes >> Traction Control >> Abs 5.4 >> Technical Description >> ABS warning lamp >> Notes

ABS warning lamp: Notes

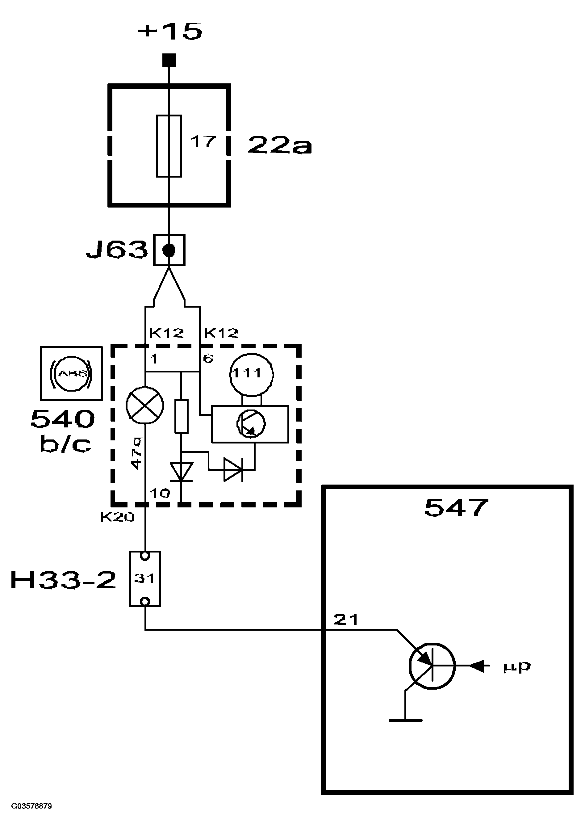
If a fault occurs in any of the ABS control module's inputs/outputs or if the supply of current (+15 circuit) fails, the control module will earth pin 21, which causes the ABS warning lamp in the main instrument unit to come on. Diagnosis of constituent components is carried out continuously and starts when the ignition switch is turned to the Drive position. If all the circuits are OK the ABS lamp goes out after 3-5 seconds. If a fault arises while the car is being driven, the ABS lamp, the brake fluid warning lamp and the central warning lamp will come on. The ABS is disabled at the same time.

Fig 1: ABS Warning Lamp - Communication Diagram
G03578878Courtesy of SAAB-SCANIA OF AMERICA, INC.
Fig 2: ABS Warning Lamp - Circuit Diagram
G03578879Courtesy of SAAB-SCANIA OF AMERICA, INC.