lemon-mirror:
Home >> Saab >> 2003 >> 9-3 Vector, Automatic >> Repair and Diagnosis >> External Pages >> Different car >> Section 44 (Theft Protection) >> Technical Description >> Receiver, Remote Control >> Notes

Receiver, Remote Control: Notes

WARNING: This page is about a different car, the 2002 Saab 9-3. However, it is still accessible from the selected car via links, so may be relevant.
Fig 1: Communication Diagram - Receiver (Remote Control)
G03530430Courtesy of SAAB-SCANIA OF AMERICA, INC.
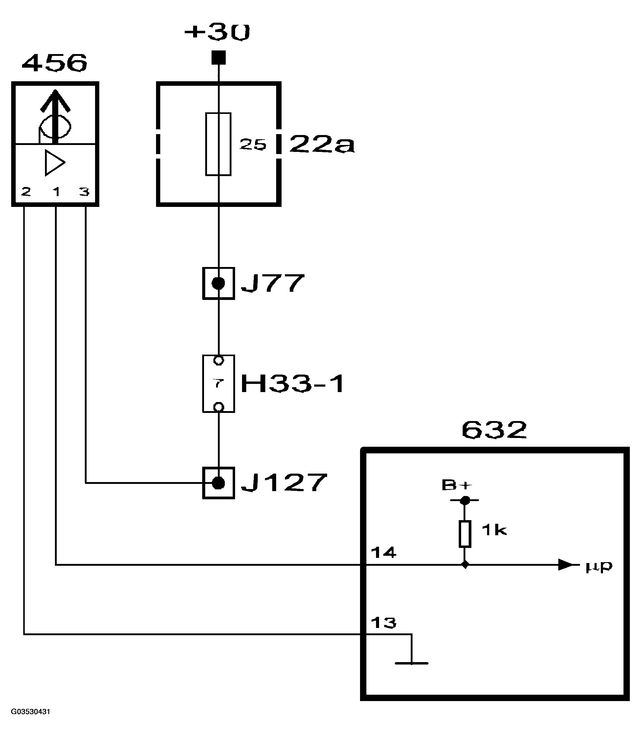
Fig 2: Circuit Diagram - Receiver (Remote Control)
G03530431Courtesy of SAAB-SCANIA OF AMERICA, INC.