lemon-mirror:
Home >> Saab >> 2004 >> 9-3 Linear, Automatic >> Repair and Diagnosis >> Engine Mechanical >> Mechanical >> Basic Engine >> Adjustment-Replacement >> Check camshaft setting >> To remove

To remove

  1. Remove the upper engine cover.
    Fig 1: Illustration For Step 2
    G03707914Courtesy of SAAB-SCANIA OF AMERICA, INC.
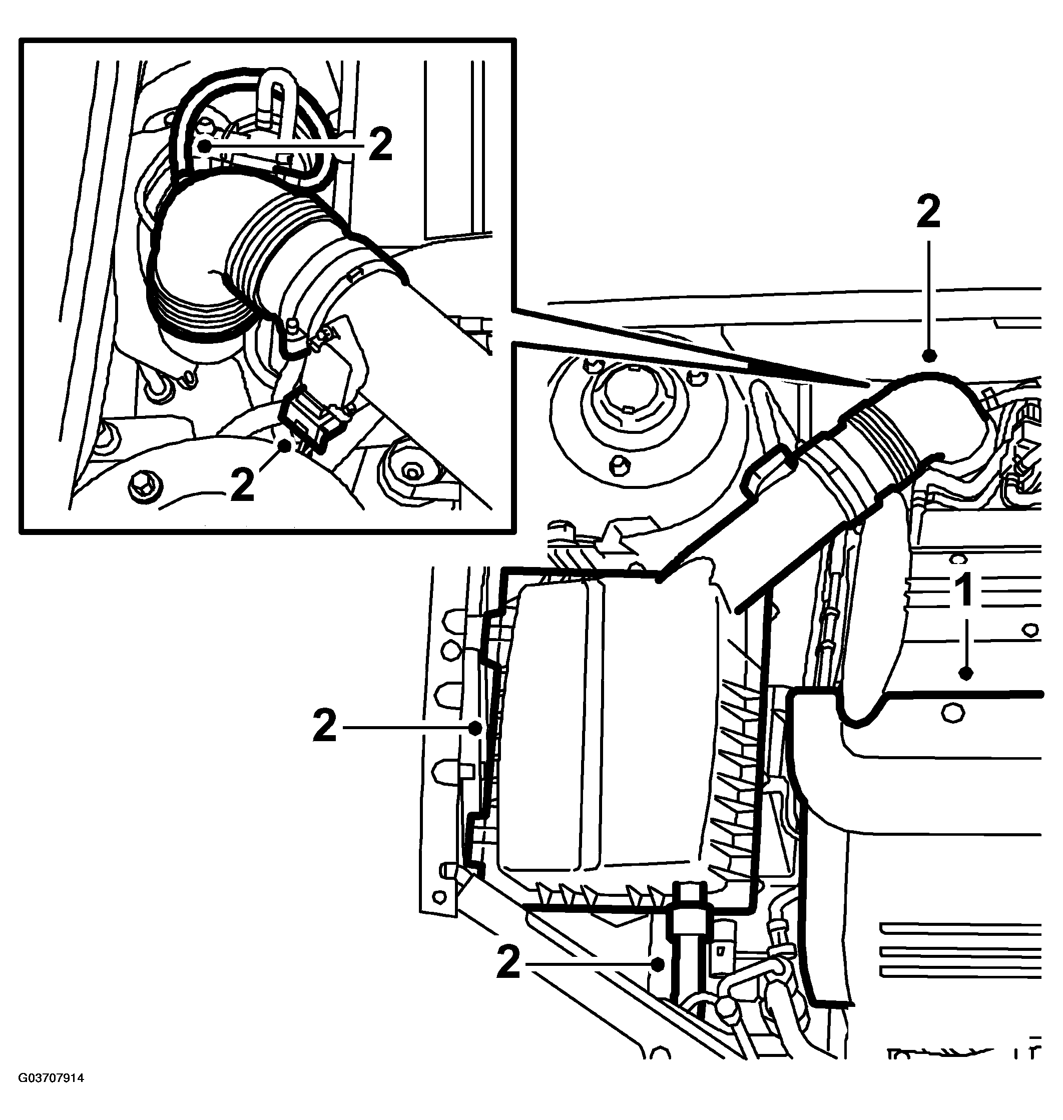
  2. Release the mass air flow sensor connector. Detach the turbocharger inlet hose from the filter casing. Remove the air filter.
    Fig 2: Illustration For Steps 2
    G03707915Courtesy of SAAB-SCANIA OF AMERICA, INC.
  3. Detach the fuel pipe from the snap fastening and remove the fastening bolts from the camshaft cover.
    Fig 3: Illustration For Step 3
    G03707916Courtesy of SAAB-SCANIA OF AMERICA, INC.
  4. Remove the cover over the ignition coils.
    Fig 4: Illustration For Step 4
    G03707917Courtesy of SAAB-SCANIA OF AMERICA, INC.
  5. Remove the bolts, lift up each ignition coil and move aside. Start with the ignition coil for cylinder 1.
    Fig 5: Illustration For Step 5, 6
    G03707918Courtesy of SAAB-SCANIA OF AMERICA, INC.
  6. Detach the crankcase ventilation hose from the camshaft cover.
  7. Detach and carefully guide the cable duct out of the cylinder head and camshaft cover.
    Fig 6: Illustration For Steps 7, 9
    G03707919Courtesy of SAAB-SCANIA OF AMERICA, INC.
  8. Detach the ground lead from the camshaft cover.
    Fig 7: Illustration For Steps 10
    G03707920Courtesy of SAAB-SCANIA OF AMERICA, INC.
  9. Remove the heat shield over the turbocharger.
  10. Remove the camshaft cover.
  11. Raise the car and remove the right-hand wheel.
  12. Remove the right wing liner.
    Fig 8: Illustration For Steps 12
    G03707921Courtesy of SAAB-SCANIA OF AMERICA, INC.
  13. Relieve the belt tensioner using 83 96 095 BELT CIRCUIT RELIEVING TOOL B207 E/L  .

    Mark the direction of rotation of the belt.

  14. Lower the car and zero the engine by turning the crankshaft clockwise until the marking on the crankshaft pulley is aligned with the marking on the timing cover. The cyl. 1 cams on the intake and exhaust camshafts should be pointing up/in.
  15. Remove exhaust camshaft and intake camshaft no. 2 and no. 7 bearing caps. Fit 83 96 046 CAMSHAFT ADJUSTMENT TOOL KIT 175 HP  or 83 96 079 CAMSHAFT ADJUSTMENT TOOL (B207 200 HP)  by pressing manually down on the tool on the camshafts without tightening the bolts.
    Fig 9: Illustration For Steps 15, 16, 18
    G03707922Courtesy of SAAB-SCANIA OF AMERICA, INC.
  16. If the adjustment tool does not fit onto the cams, loosen some of the camshaft pulley bolts, grip the camshaft flats with a wrench. Tighten the adjustment tool bolts.

    Tightening torque 10 Nm (7 lbf ft)  .

  17. Check that the markings on the camshaft pulley and timing cover align. Tighten the camshaft pulley once, grip the camshaft flats with a wrench.

    Tightening torque 30 Nm (22 lbf ft) 

  18. Remove the adjustment tool and fit the bearing caps.

    Tightening torque 8 Nm (6 lbf ft)  .

  19. Turn the camshaft pulley further to the final point. Grip the camshaft flats with a wrench.

    Tightening torque 85 Nm + 30° (63 lbf ft +30°) 

  20. Turn the crankshaft twice in the engine direction of rotation until the markings on the pulley and the timing cover are aligned. Remove bearing caps and refit 83 96 046 CAMSHAFT ADJUSTMENT TOOL KIT 175 HP  or 83 96 079 CAMSHAFT ADJUSTMENT TOOL (B207 200 HP)  to check that the camshaft setting is correct. Remove the adjustment tools and fit the bearing caps.

    Tightening torque 8 Nm (6 lbf ft)  .