lemon-mirror:
Home >> Saab >> 2004 >> 9-3 Linear, Automatic >> Repair and Diagnosis >> Quick Lookups >> Electrical Component Locations >> Component Locations >> Technical Description >> Ionization Detection Module (740) >> Connection

Ionization Detection Module (740): Connection

CONNECTOR PINOUTS REFERENCE

Pin No. Signal type Description
1 Ignition trigger cylinder 4, in Synchronization of ionization current measurement for cylinder 4.
2 Ignition trigger cylinder 3, in Synchronization of ionization current measurement for cylinder 3.
3 Knock signal, out Knock signal, raw value to ECM.
4 Combustion signal 1, out Combustion signal, raw value to ECM.
5 n/c  
6 n/c  
7 Ionization signal 2, in Ionization signal from ignition coil cylinder 2.
8 Ionization signal 3, in Ionization signal from ignition coil cylinder 3.
9 Ignition trigger cylinder 1, in Synchronization of ionization current measurement for cylinder 1.
10 Ignition trigger cylinder 2, in Synchronization of ionization current measurement for cylinder 2.
11 Combustion signal 2, out Combustion signal, raw value to ECM.
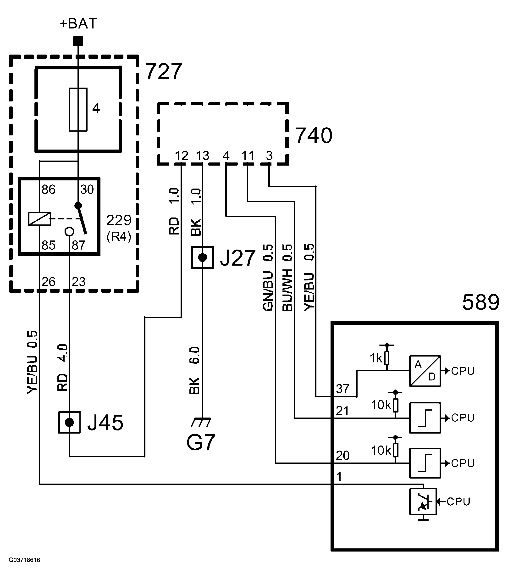
12 B+ Power supply B+ from main relay.
13 B power supply B- from grounding point G7.
14 n/c  
15 Ionization signal 4, in Ionization signal from ignition coil cylinder 4.
16 Ionization signal 1, in Ionization signal from ignition coil cylinder 1.
Fig 1: Identifying Communication Flow - Ionization Detection Module (1 Of 3)
G03718612Courtesy of SAAB-SCANIA OF AMERICA, INC.
Fig 2: Identifying Communication Flow - Ionization Detection Module (2 Of 3)
G03718613Courtesy of SAAB-SCANIA OF AMERICA, INC.
Fig 3: Identifying Communication Flow - Ionization Detection Module (3 Of 3)
G03718614Courtesy of SAAB-SCANIA OF AMERICA, INC.

CDM performs an initial processing of the ionization signal from each ignition coil. CDM generates a common knock signal from the ionization information of the four cylinders. This signal is used by ECM to evaluate engine knocks.

After the spark has been fired, ECM "listens" to the knock signal of each cylinder over a certain number of crankshaft degrees, known as "windows".

The ionization signal is band-pass filtered to filter out the part of the signal containing knock information.

Knock information is characterized by "ringings" which are oscillations in the ionization signal. To obtain the combustion signal, the ionization signal passes a low-pass filter, where relatively slower oscillations pass through.

These ionization signal oscillations make up the part containing information on combustion quality.

Wiring diagram, ignition coils

Fig 4: Circuit Diagram - Ionization Detection Module (Ignition Coils)
G03718615Courtesy of SAAB-SCANIA OF AMERICA, INC.

Wiring diagram, power supply and communication

Fig 5: Circuit Diagram - Ionization Detection Module (Power Supply And Communication)
G03718616Courtesy of SAAB-SCANIA OF AMERICA, INC.