lemon-mirror:
Home >> Saab >> 2004 >> 9-5 Linear, Automatic >> Repair and Diagnosis >> Body & Frame >> Seats >> Technical Description >> Hall sensor >> Notes

Hall sensor: Notes

Fig 1: Communication Diagram - Hall Sensor
G03746962Courtesy of SAAB-SCANIA OF AMERICA, INC.
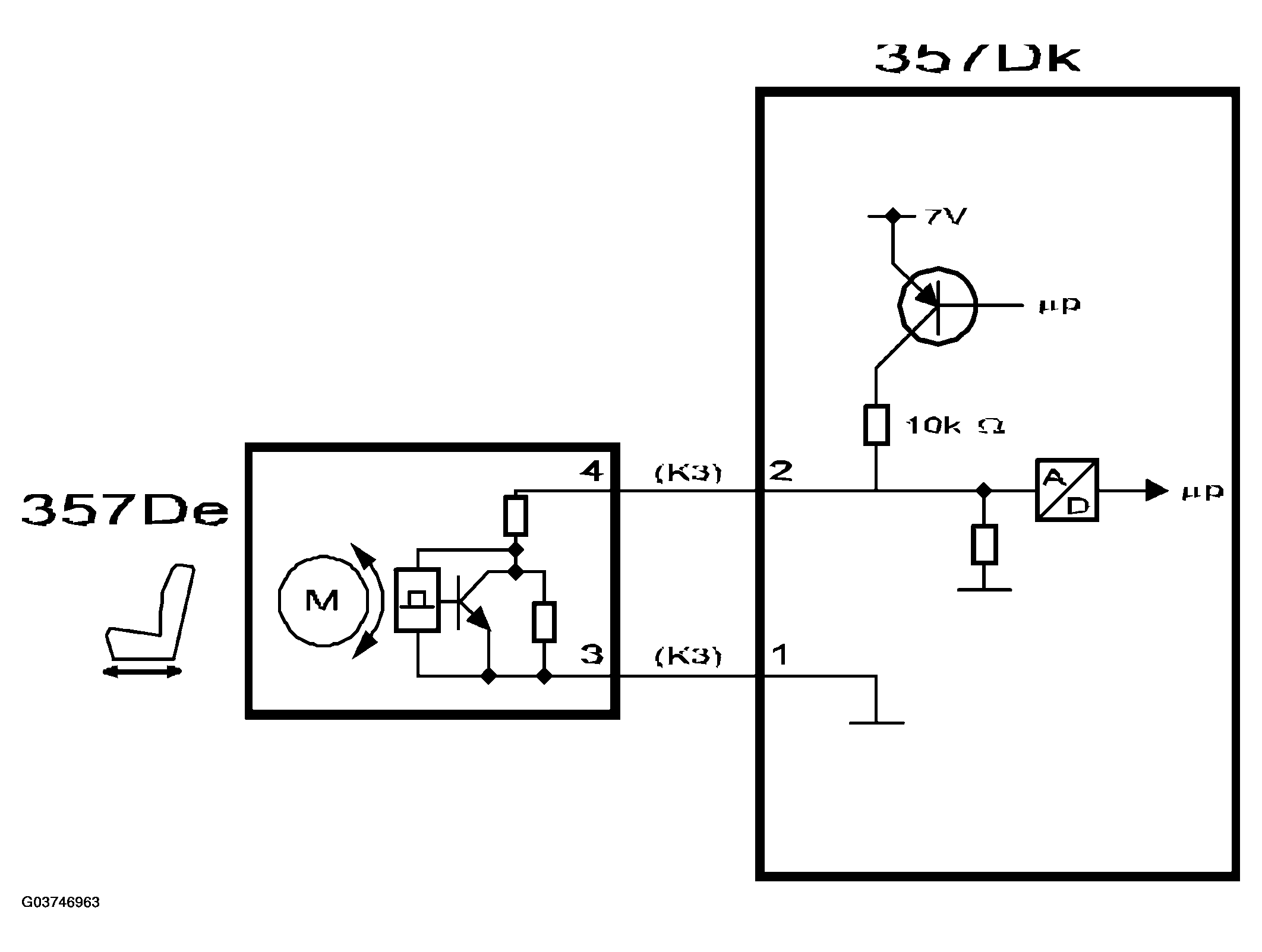
Fig 2: Circuit Diagram - Hall sensor
G03746963Courtesy of SAAB-SCANIA OF AMERICA, INC.

The pulse emitters for the seat are of the Hall sensor type and integral to the motors for the function concerned.

There is a 2-pole magnetic ring (north/south) mounted on the motor axle. At the end of the motor there is a Hall sensor that detects changes in the magnetic field. When the motor is running, the changes in the magnetic field occur twice per revolution.

The control module supplies the sensor with 7 V through a resistor (100 ohm) mounted in the control module, from the pin on the motor concerned. The sensor is grounded internally in the control module. When the motor is running, the sensor detects magnetic changes, whereupon the sensor grounds the pin on the motor via 392 ohm when the south pole of the magnetic ring passes.

The control module detects the voltage change between 7 V when the north pole passes and 5 V when the south pole passes.

The control module counts the pulses and the refore knows how long the motor must run for the seat to assume the desired position.