lemon-mirror:
Home >> Saab >> 2004 >> 9-5 Linear, Automatic >> Repair and Diagnosis >> Body & Frame >> Seats >> Technical Description >> Memory buttons >> Notes

Memory buttons: Notes

Fig 1: Identifying Memory Buttons
G03746964Courtesy of SAAB-SCANIA OF AMERICA, INC.
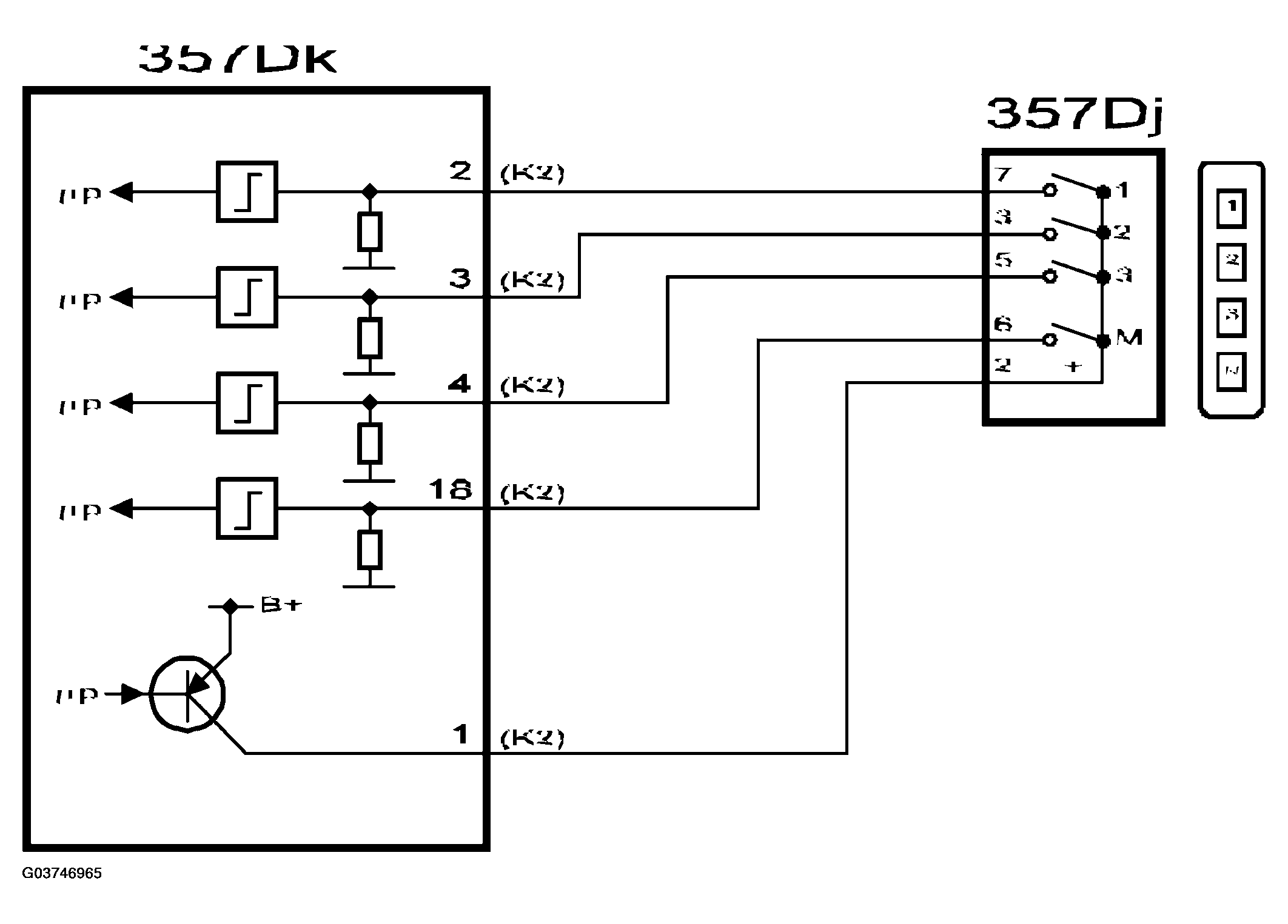
Fig 2: Circuit Diagram - Memory Buttons
G03746965Courtesy of SAAB-SCANIA OF AMERICA, INC.

The switch for the memory and store function comprises four buttons. Three buttons, "1", "2", "3" and the store button, "M".

The memory and memory store buttons are common to both systems; PSM and PMM respectively. The PMM system stores the memory setting for the door mirrors.