lemon-mirror:
Home >> Saab >> 2004 >> 9-5 Linear, Automatic >> Repair and Diagnosis >> Body & Frame >> Seats >> Technical Description >> Motors >> Notes

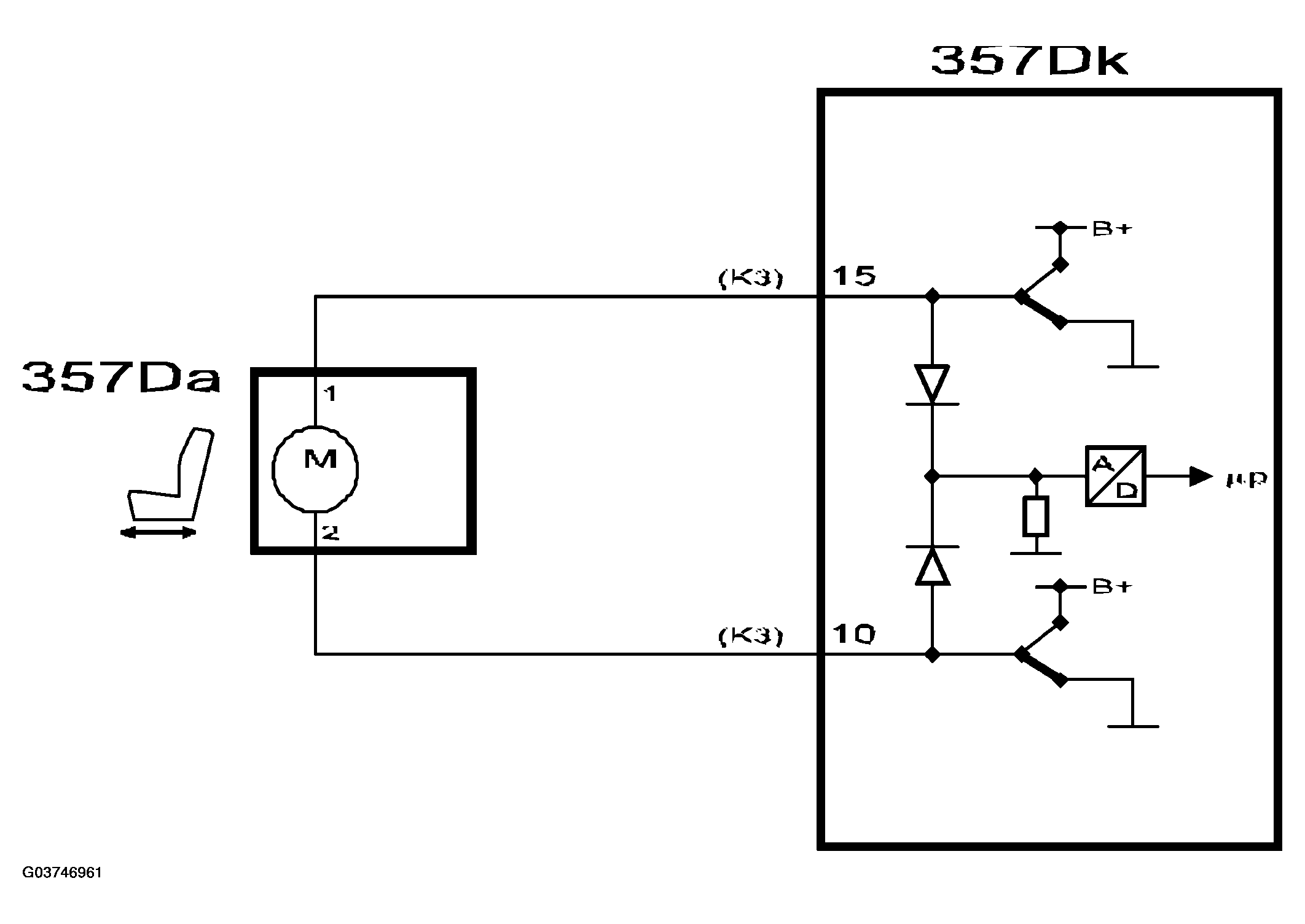
Technical Description: Motors: Notes

Fig 1: [Identifying Motors]
G03746960Courtesy of SAAB-SCANIA OF AMERICA, INC.
Fig 2: [Circuit Diagram - Motors]
G03746961Courtesy of SAAB-SCANIA OF AMERICA, INC.

The motors are controlled by the switches in the switch unit and are monitored by the PSM. When the motors are running, the control module detects the pulses from the Hall sensors, which are used for programming. To change the direction of rotation of the motors, the motor poles are reversed.

The following motors can be controlled from the switch unit: