lemon-mirror:
Home >> Saab >> 2004 >> 9-5 Linear, Automatic >> Repair and Diagnosis >> Body & Frame >> Seats >> Technical Description >> PSM Control module >> Power supply >> Notes

Power supply: Notes

Fig 1: Communication Diagram - PSM Control Module
G03746956Courtesy of SAAB-SCANIA OF AMERICA, INC.
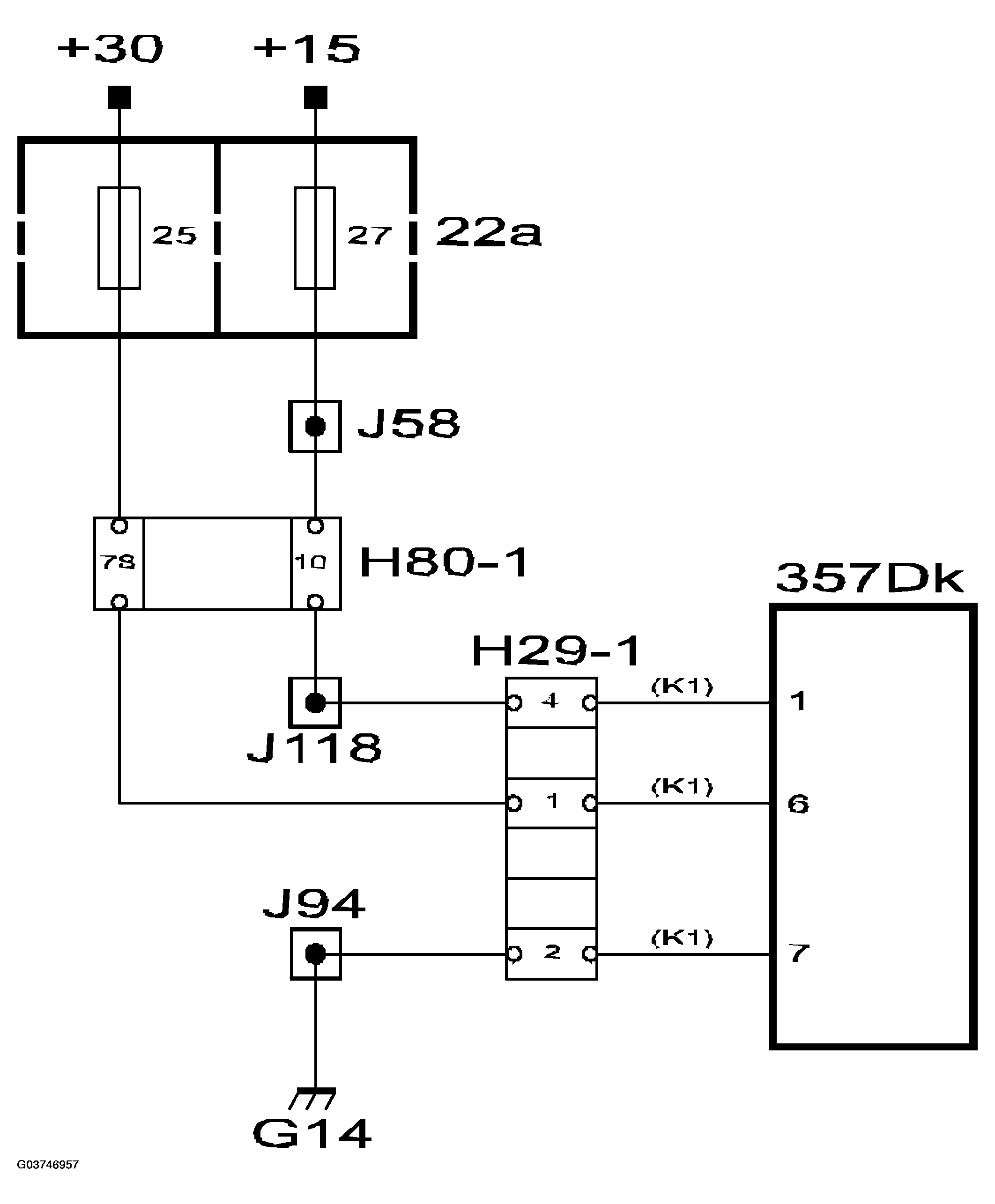
Fig 2: Circuit Diagram - PSM Control Module
G03746957Courtesy of SAAB-SCANIA OF AMERICA, INC.