lemon-mirror:
Home >> Saab >> 2004 >> 9-5 Linear, Automatic >> Repair and Diagnosis >> Electrical >> Horns >> Lighting And Signaling Systems >> Technical Description >> Direction indicators

Direction indicators

Fig 1: Direction Indicators Communication Diagram
G03741911Courtesy of SAAB-SCANIA OF AMERICA, INC.
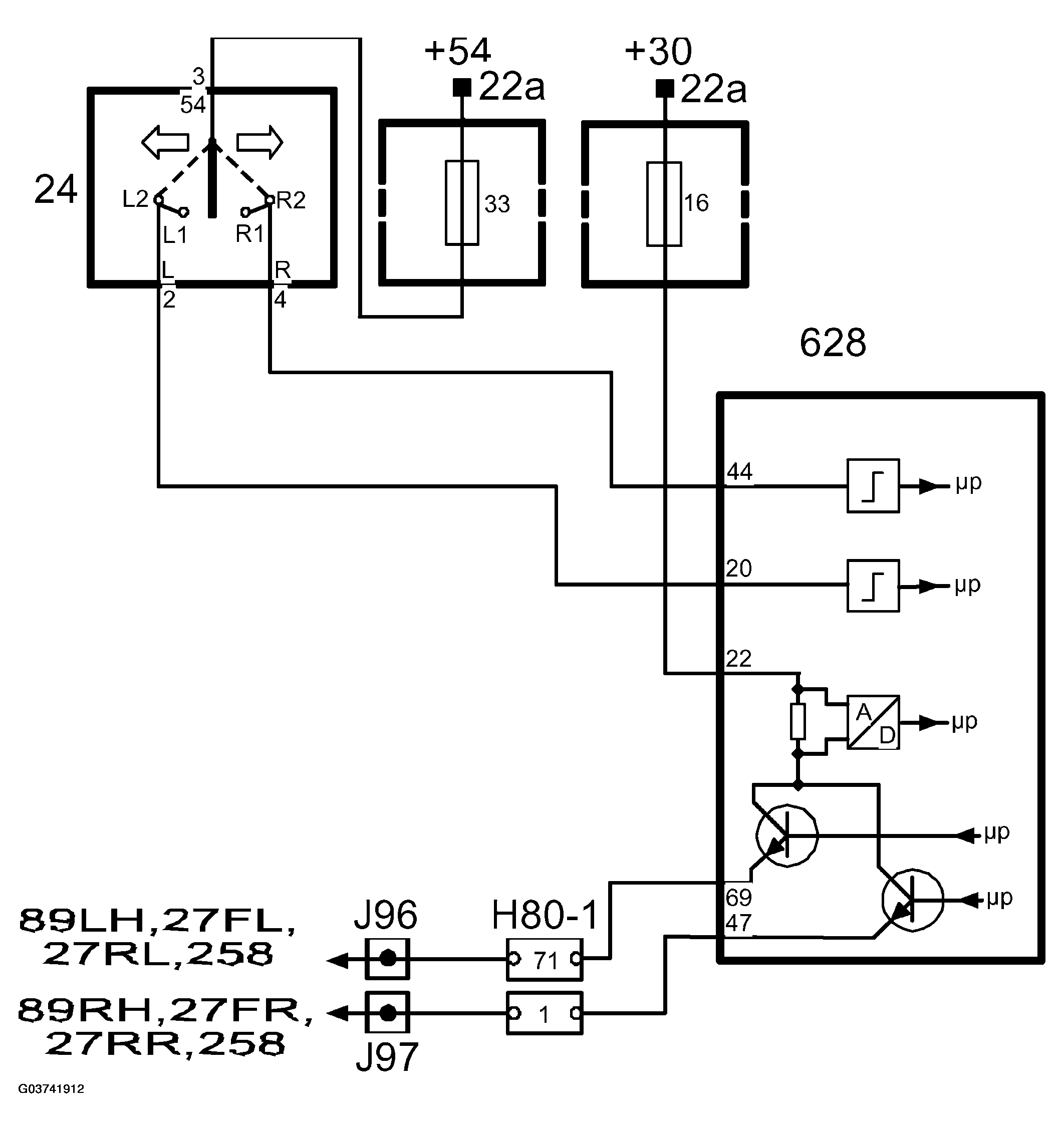
Fig 2: Circuit Diagram - Direction Indicators
G03741912Courtesy of SAAB-SCANIA OF AMERICA, INC.

The direction indicators are turned on with the stalk switch on the steering column when the ignition is in position ON (+15 or +54). The direction indicator lamps are powered via DICE.

When the stalk switch is moved upwards (right) or downwards (left), voltage B+ is fed through the switch to the control module's:

The control module then delivers voltage pulses to the indicator lamp in question from:

DICE monitors the direction-indicator circuit internally. The control module does this by measuring current and voltage across a resistor located in the control module on pin 22. If the voltage/current ratio undergoes a change, DICE responds. In the case of high load, the control module shuts off the output. If the load is low, the flash frequency is doubled.

The flash frequency is normally 90+/-5 per minute. In the case of low load, i.e. if a low-rated bulb has been fitted or the bulb is defective, the flash frequency will double.

Certain markets require that the front fog light should come on when the direction-indicator switch is operated. For this to give the desired effect, an extra bulb is incorporated into the front fog light. Its location in the lamp housing is such that the light is reflected in the intended direction of turn.

Power to direction-indicator lamps on a trailer, if any, is fed via the connector 258.

When the right-hand or left-hand direction indicators are active, the appropriate indicator lamp on the MIU (540) flashes after receiving information on the status of the direction indicators (ON/OFF) from the bus.

Active indicators are also indicated by a "tick-tock" sound, which is generated in the SID unit in response to information from the bus.

If there is no voltage on the control module pin 22, no information is sent to the bus.