lemon-mirror:
Home >> Saab >> 2004 >> 9-5 Linear, Automatic >> Repair and Diagnosis >> Engine Performance >> TRIONIC T7 Fuel Control System >> Component Location >> Grounding point G5 >> Notes

Grounding point G5: Notes

Fig 1: Identifying Grounding Point G5
G03732976Courtesy of SAAB-SCANIA OF AMERICA, INC.
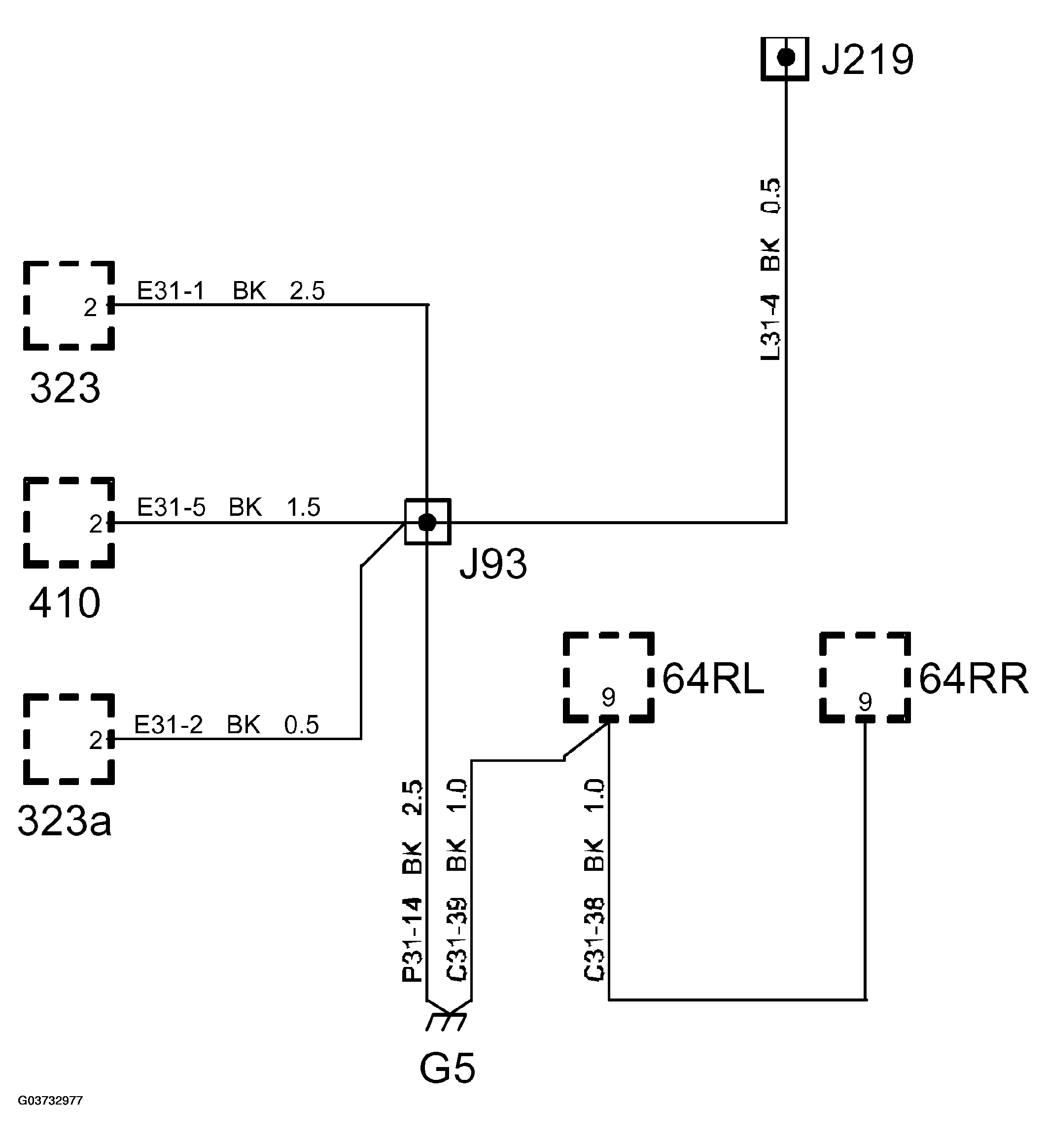
Fig 2: Grounding Point G5 Circuit Diagram
G03732977Courtesy of SAAB-SCANIA OF AMERICA, INC.