lemon-mirror:
Home >> Saab >> 2004 >> 9-5 Linear, Automatic >> Repair and Diagnosis >> Engine Performance >> TRIONIC T7 Fuel Control System >> Technical Description >> Charge air absolute pressure sensor >> Notes

Charge air absolute pressure sensor: Notes

Fig 1: Identifying Charge Air Absolute Pressure Sensor (Trionic)
G03733272Courtesy of SAAB-SCANIA OF AMERICA, INC.

The pressure sensor is combined with a temperature sensor and measures the current absolute pressure and temperature in the charge air pipe.

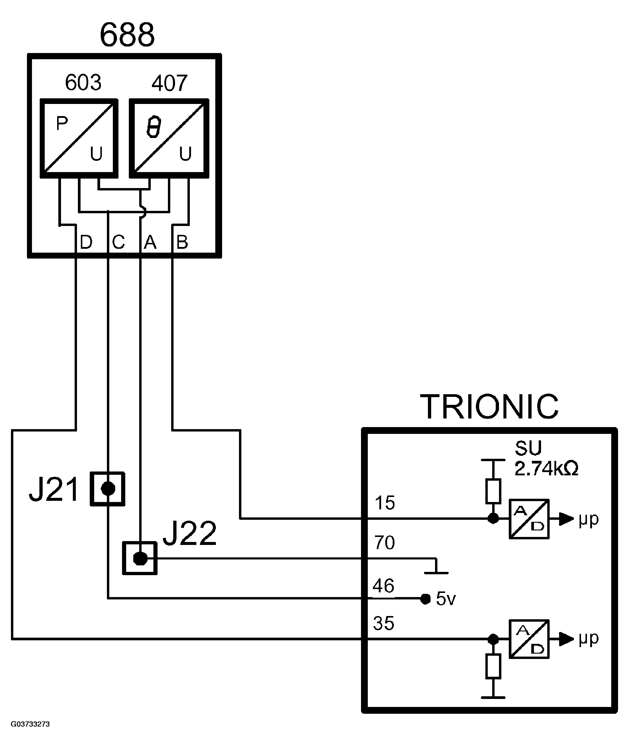
The pressure sensor contains two metal coated ceramic discs mounted close to each other. The disc closest to the pressure connection is thinner and bends when exerted to pressure. This bending will change the capacitance between the metal coating on the two discs depending on the pressure. Integrated in the sensor is a circuit that converts the capacitance to analogue voltage. The pressure sensor, which is combined with the temperature sensor, is located on the engine intake manifold and is supplied with 5V from control module pin 46 and grounded from control module pin 70.

Depending on the pressure in the charge air pipe, the pressure sensor will apply a proportional voltage to control module pin 35.

The air mass control determines which air mass/combustion is to be drawn in during the cylinder's induction stroke. The value corresponds to the engine torque.

Throttle control adjusts the throttle so that the current air mass/combustion is the same as the requested.

If the air in front of the throttle has a high density, a smaller throttle angle will be required than if the air density is low. The density of the air is therefore calculated by the control module using the charge air pressure and the intake air temperature.

At normal barometric pressure, 100 kPa, the pressure from the sensor is approx. 2.1 V.

Fig 2: Charge Air Absolute Pressure Sensor (Trionic) Circuit Diagram
G03733273Courtesy of SAAB-SCANIA OF AMERICA, INC.