Intake air temperature sensor: Notes
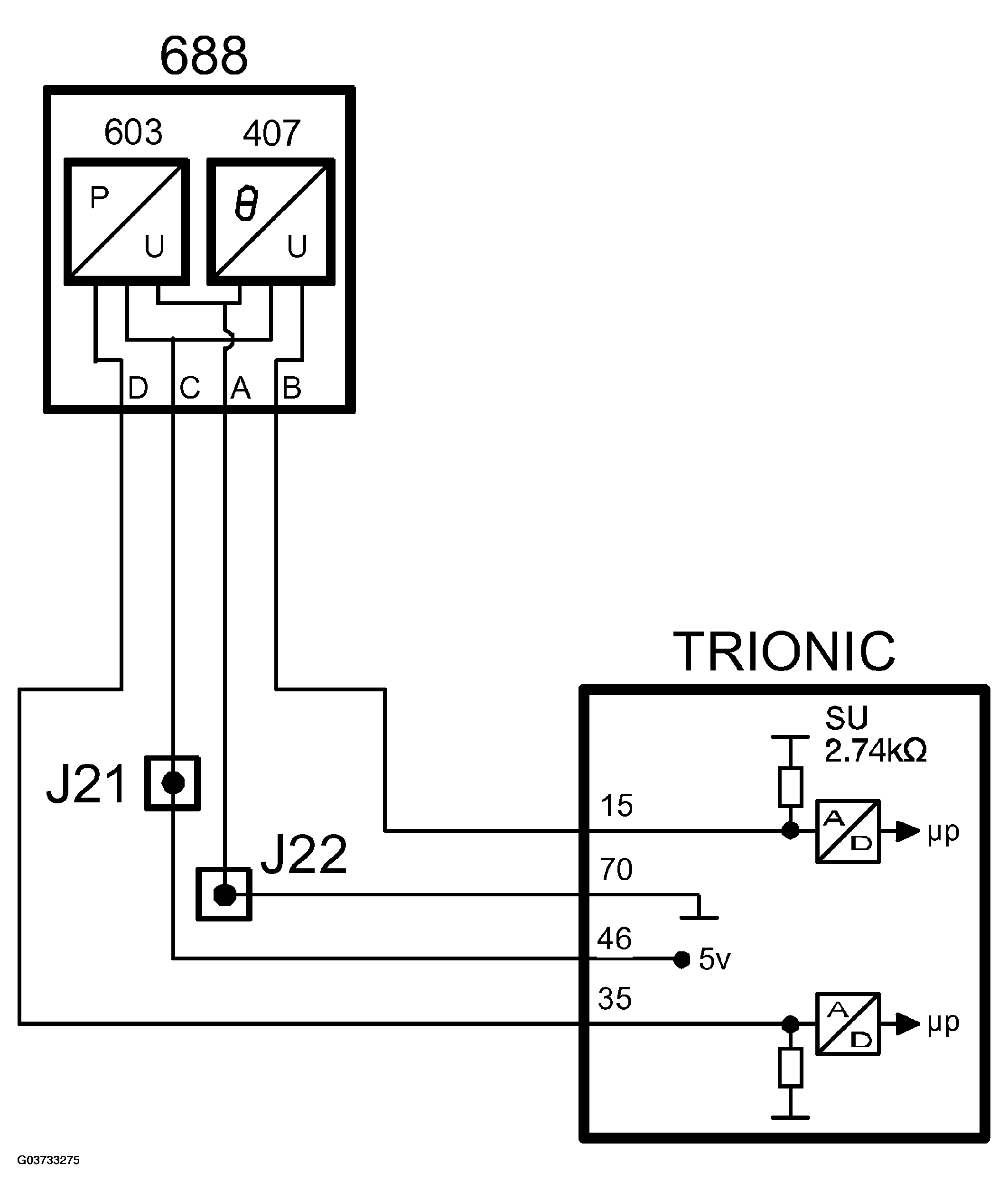
The pressure sensor is combined with a temperature sensor and measures the current absolute pressure and temperature in the charge air pipe.
The NTC-type temperature sensor is located in the intake manifold. The control module measures the air temperature in the intake manifold by supplying the sensor with 5V through an integrated 2.74 kohm resistor from pin 15. The sensor is grounded from pin 70. The voltage across the resistor in the control module is proportional to the intake air temperature.
The temperature is used to:
- Determine, together with the charge air pressure, the density of the charge air. The charge air density is used by the air mass control to correct the throttle angle.
- Correct the PWM ratio of the charge air control valve. A higher PWM ratio is required at high temperatures to obtain the same air mass/combustion.
- Correct the ignition timing. At low temperatures, more advanced ignition is required.
- Block certain diagnoses:
- Blocks certain diagnoses at temperatures lower than -7°C.
- Reactivates certain diagnoses at temperatures higher than +5°C