lemon-mirror:
Home >> Saab >> 2004 >> 9-5 Linear, Automatic >> Repair and Diagnosis >> Engine Performance >> TRIONIC T7 Fuel Control System >> Technical Description >> Main relay >> Notes

Main relay: Notes

Fig 1: Identifying Main Relay
G03733282Courtesy of SAAB-SCANIA OF AMERICA, INC.
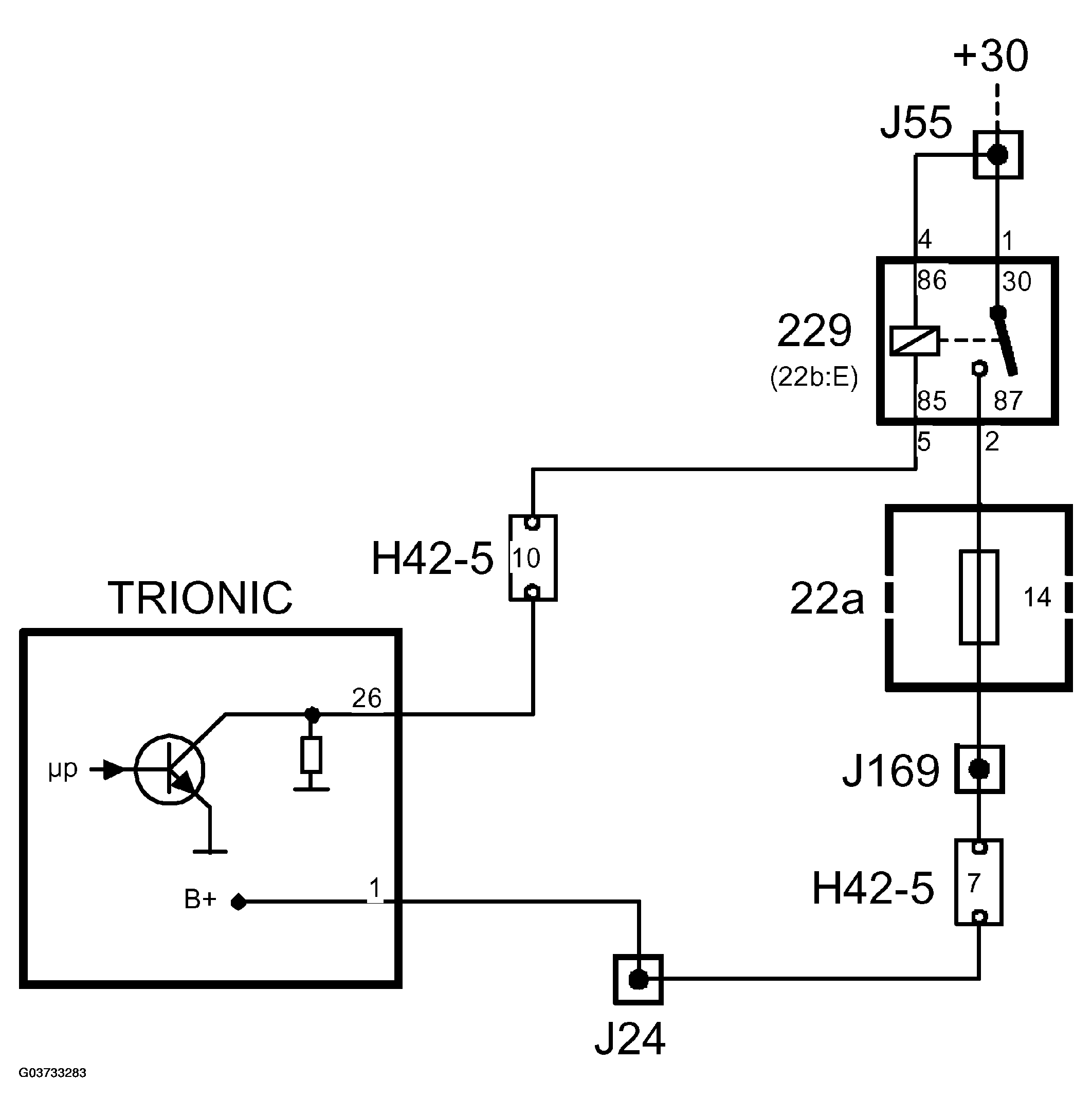
Fig 2: Main Relay Circuit Diagram
G03733283Courtesy of SAAB-SCANIA OF AMERICA, INC.

The main relay is located in the relay holder under the dashboard by the steering wheel.

When the ignition is in position "ON", +15 will be supplied to control module pin 43. The control module will then ground pin 26 to activate the main relay. From main relay pin 87, the control module will simultaneously receive supply voltage on pin 1. The control module supply is used internally to supply the throttle motor.

When the ignition is turned to the "OFF" position, the main relay will operate for a further 10 seconds to enable adaptation of the throttle valve to fully closed position.