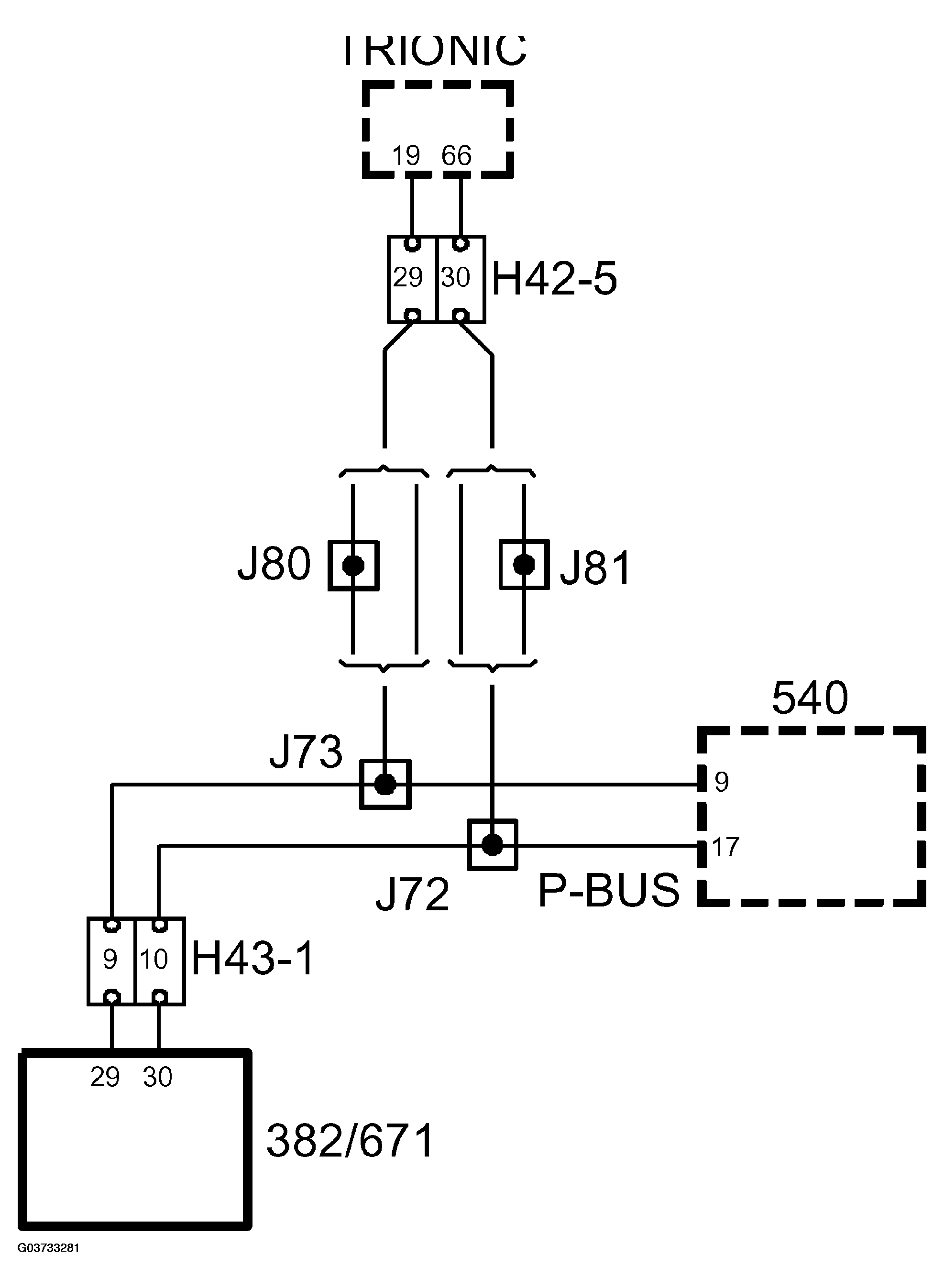
Speed, bus from TC/ABS/ESP: Notes
The TC/ABS/ESP control module sends bus message "Wheel speed, front right, XXX km/h" via the P-bus to the Trionic control module connection 19 and 66. This speed signal is used to:
- prevent adaptation of idle speed control when the car is moving.
- on manual gearboxes, determine which gear is currently being used. This makes it possible to limit torque in gears R and 1 and activate fuel shut-off in gears 2, 3, 4 and 5. Control of the SHIFT UP lamp also depends on the current gear.
- activate speed limitation, which is achieved by limiting the maximum air mass/combustion at 240 km/h for B235E and 250 km/h for B235R.