lemon-mirror:
Home >> Saab >> 2005 >> 9-3 Linear, 2D Convertible, Automatic >> Repair and Diagnosis >> Engine Performance >> TRIONIC T8 Fuel Control System >> Technical description >> Ionization Detection Module (740) >> Connection

Ionization Detection Module (740): Connection

PIN DESCRIPTION

Pin No. Signal type Description
1 Ignition trigger cylinder 4, in Synchronisation of ionization current measurement for cylinder 4.
2 Ignition trigger cylinder 3, in Synchronisation of ionization current measurement for cylinder 3.
3 Knock signal, out Knock signal, raw value to ECM.
4 Combustion signal 1, out Combustion signal, raw value to ECM.
5 n/c  
6 n/c  
7 Ionization signal 2, in Ionization signal from ignition coil cylinder 2.
8 Ionization signal 3, in Ionization signal from ignition coil cylinder 3.
9 Ignition trigger cylinder 1, in Synchronisation of ionization current measurement for cylinder 1.
10 Ignition trigger cylinder 2, in Synchronisation of ionization current measurement for cylinder 2.
11 Combustion signal 2, out Combustion signal, raw value to ECM.
12 B+ Power supply B+ from main relay.
13 B- power supply B- from grounding point G7.
14 n/c  
15 Ionization signal 4, in Ionization signal from ignition coil cylinder 4.
16 Ionization signal 1, in Ionization signal from ignition coil cylinder 1.
Fig 1: Identifying Ionization Detection Module - 589
G03819938Courtesy of SAAB-SCANIA OF AMERICA, INC.
Fig 2: Identifying Ionization Detection Module - 589
G03819939Courtesy of SAAB-SCANIA OF AMERICA, INC.
Fig 3: Identifying Ionization Detection Module - 740
G03819940Courtesy of SAAB-SCANIA OF AMERICA, INC.

CDM performs an initial processing of the ionization signal from each ignition coil. CDM generates a common knock signal from the ionization information of the four cylinders. This signal is used by ECM to evaluate engine knocks.

After the spark has been fired, ECM "listens" to the knock signal of each cylinder over a certain number of crankshaft degrees, known as "windows".

The ionization signal is bandpass filtered to filter out the part of the signal containing knock information.

Knock information is characterized by "ringings" which are oscillations in the ionization signal. To obtain the combustion signal, the ionization signal passes a low-pass filter, where relatively slower oscillations pass through.

These ionization signal oscillations make up the part containing information on combustion quality.

Wiring diagram, ignition coils

Fig 4: Identifying Wiring Diagram
G03819941Courtesy of SAAB-SCANIA OF AMERICA, INC.

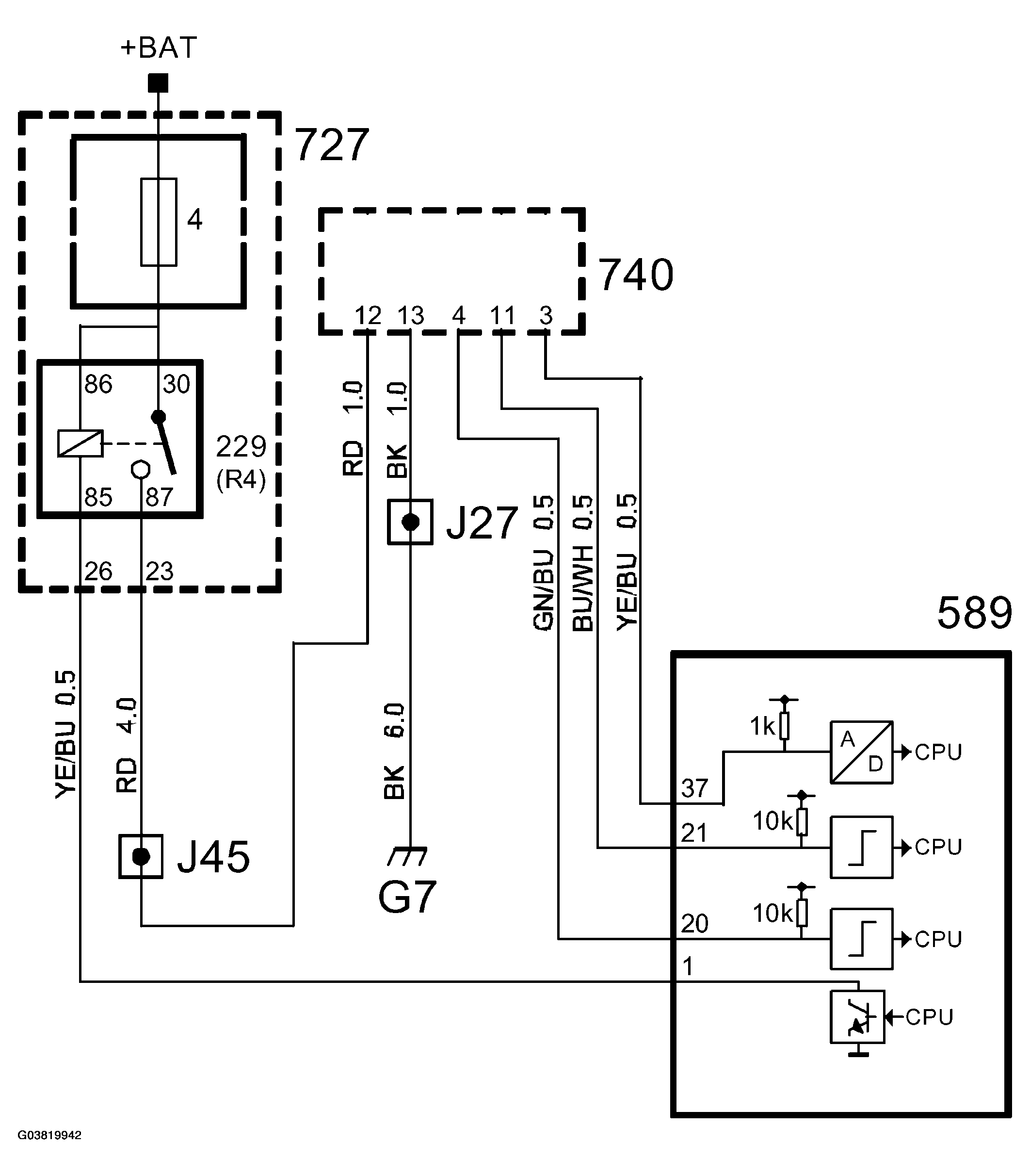
Wiring diagram, power supply and communication

Fig 5: Identifying Wiring Diagram
G03819942Courtesy of SAAB-SCANIA OF AMERICA, INC.
NOTE: Also see ENGINE PERFORMANCE wiring diagram.