lemon-mirror:
Home >> Saab >> 2005 >> 9-5 Linear, Automatic >> Repair and Diagnosis (Single Page) >> Engine Performance >> TRIONIC T7 Fuel Control System, 4-CYL. >> Technical Description >> Ignition Discharge Module >> Notes

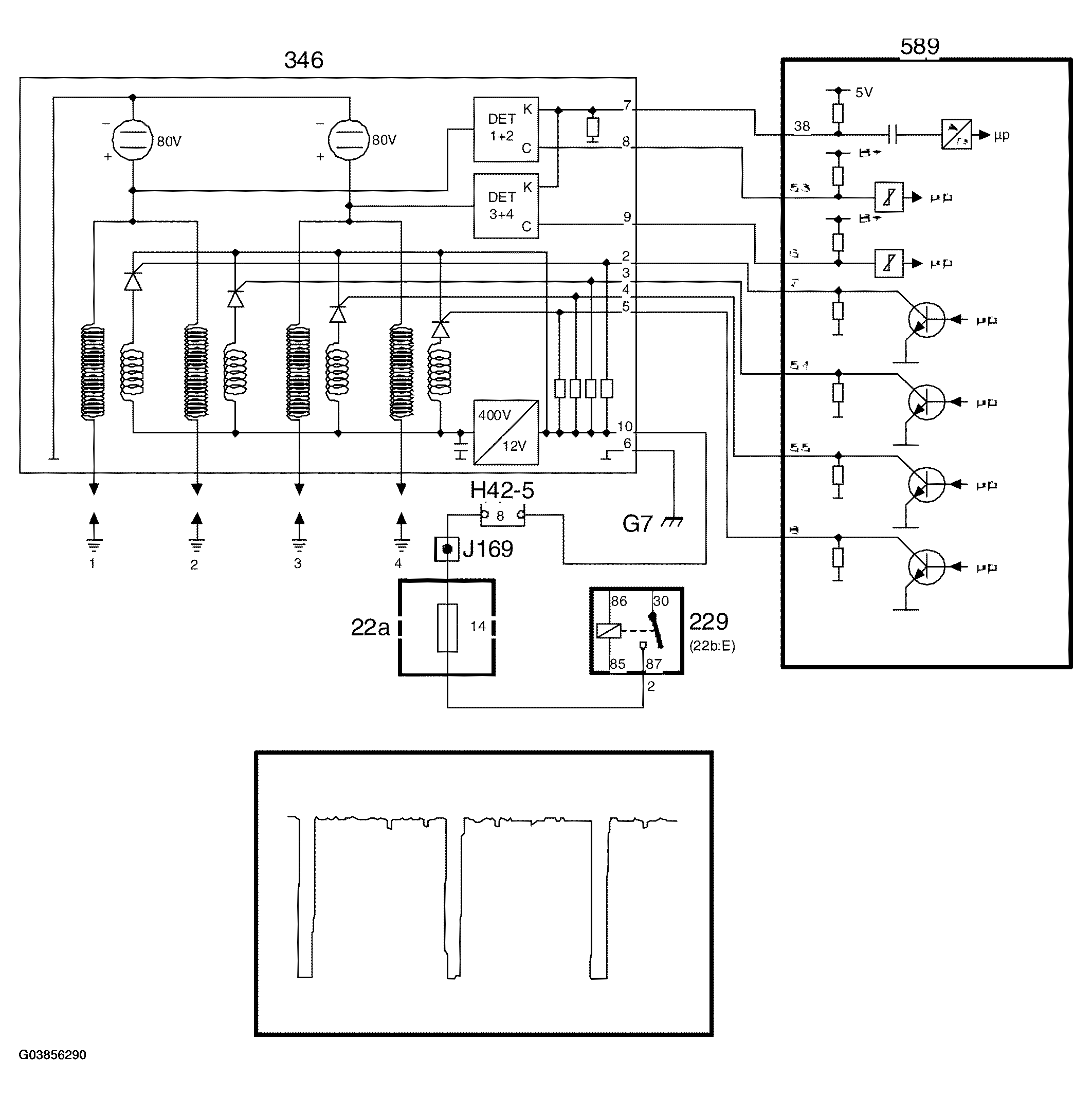
Ignition Discharge Module: Notes

Fig 1: Ignition Discharge Module - Circuit Diagram
G03856290Courtesy of SAAB-SCANIA OF AMERICA, INC.