lemon-mirror:
Home >> Saab >> 2005 >> 9-5 Linear, Automatic >> Repair and Diagnosis >> Brakes >> Traction Control >> Stabilizer System >> Technical description >> ABS warning lamp

ABS warning lamp

If a fault occurs on any of the ESP control module inputs or outputs, or if the power supply (+15) is missing, the ABS, brake and central warning lamps will go on in the main instrument unit. The lamp will go on when the ignition is turned on and go out again after 3-5 seconds if no fault is found. If a fault occurs when driving, the lamp will come on and the ESP, TCS and ABS functions will be disabled.

Fig 1: Identifying ABS Warning Lamp Location
G03864882Courtesy of SAAB-SCANIA OF AMERICA, INC.
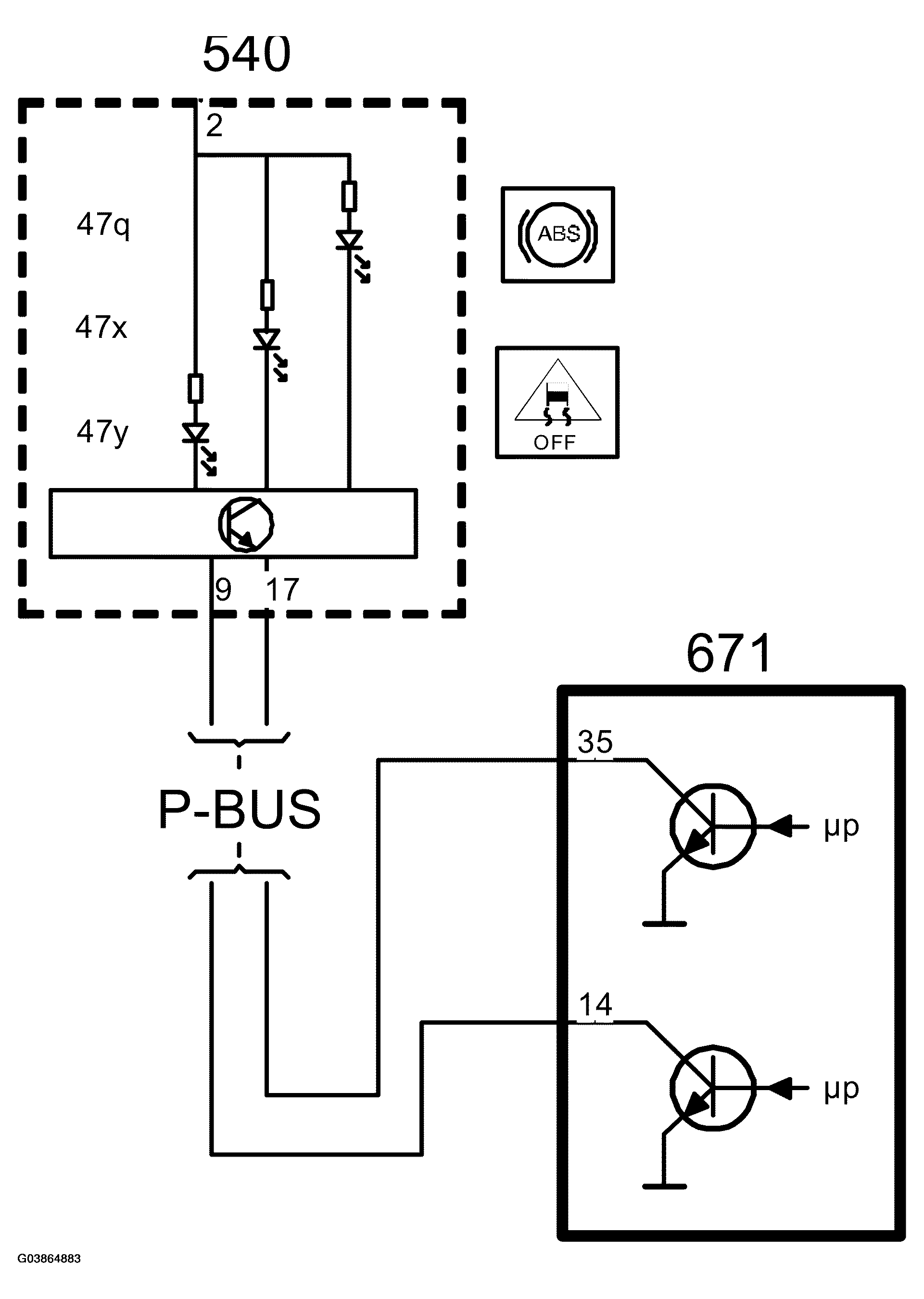
Fig 2: ABS Warning Lamp Circuit Diagram
G03864883Courtesy of SAAB-SCANIA OF AMERICA, INC.

The ESP OFF INDICATOR LAMP  is turned on when the control module switches on the ABS, brake and central warning lamps.

If the main instrument unit looses bus contact with the ESP control module, the ABS, brake and central warning lamps, as well as ESP OFF INDICATOR LAMP , come on after 2 seconds.