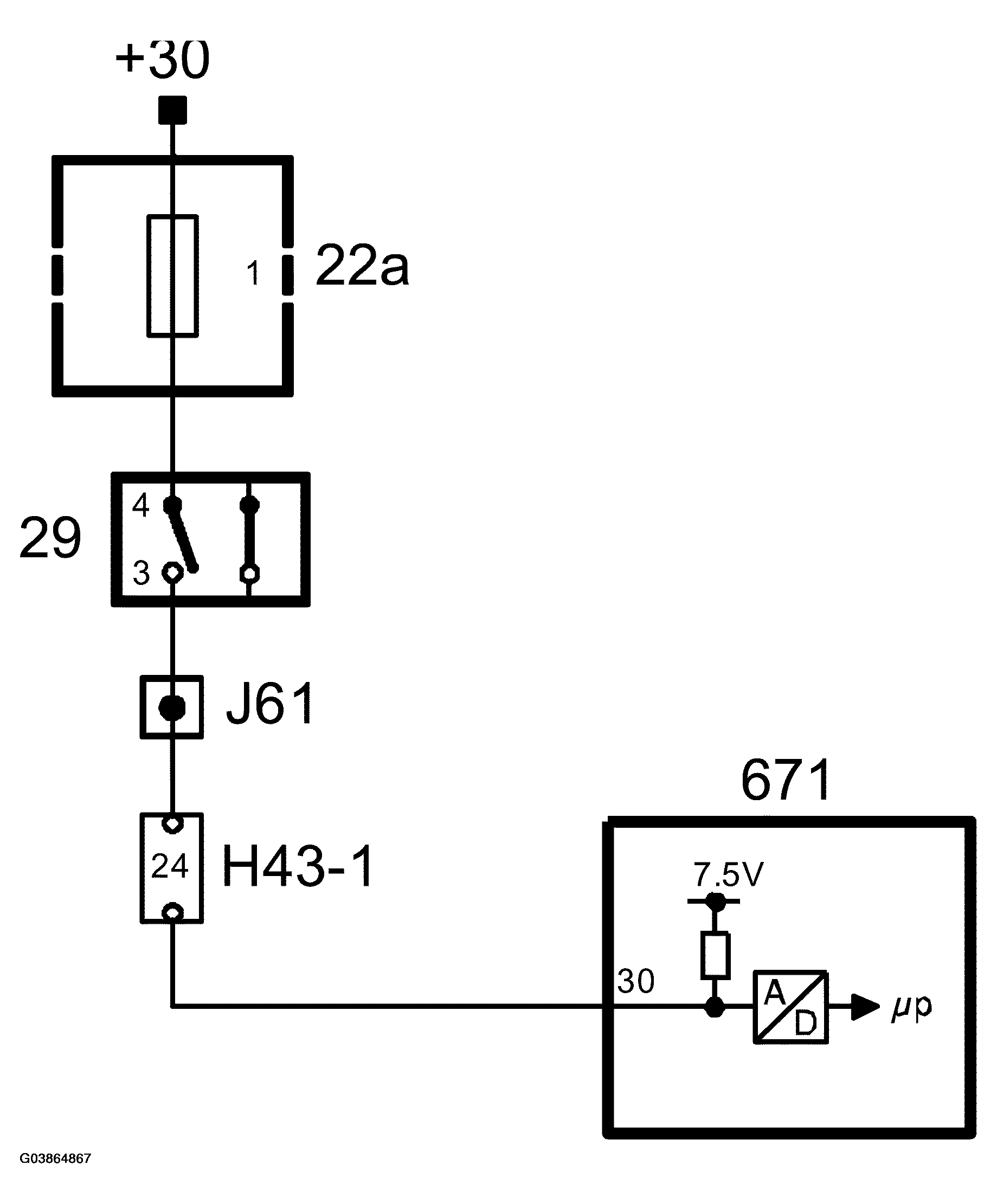
Brake Light Switch: Notes
The control module receives voltage on pin 30 from the brake light switch when the brake pedal is depressed.
The control module uses information on brake light switch status (ON/OFF):
- If the brake pedal is released and then re-pressed while the ABS is operative, the control module restarts from the start of the control cycle.
- Brake light ON is one of 4 criteria for the control module to activate EBD modulation.
- A pump motor test is normally performed at 6 km/h (3.7 mph). If the brake light is ON, the test is performed at 15 km/h (9.3 mph).
- If the brake pedal is depressed during TCS modulation (brake light ON), the ESP control module disengages the TCS function for braking and select braking. Other TCS control functions remain active.