lemon-mirror:
Home >> Saab >> 2005 >> 9-5 Linear, Automatic >> Repair and Diagnosis >> Brakes >> Traction Control >> Stabilizer System >> Technical description >> ESP OFF indicator lamp >> Notes

ESP OFF indicator lamp: Notes

Fig 1: Identifying ESP OFF Indicator Lamp
G03864907Courtesy of SAAB-SCANIA OF AMERICA, INC.
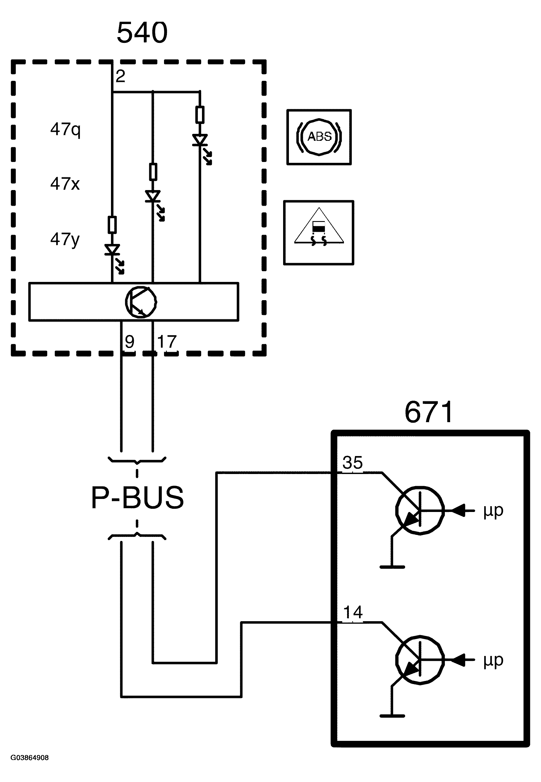
Fig 2: Communication Diagram - ESP OFF Indicator Lamp
G03864908Courtesy of SAAB-SCANIA OF AMERICA, INC.

The main instrument unit has an ESP OFF lamp.