lemon-mirror:
Home >> Saab >> 2005 >> 9-5 Linear, Automatic >> Repair and Diagnosis >> Brakes >> Traction Control >> Stabilizer System >> Technical description >> Speed sensor, front wheel

Speed sensor, front wheel

Fig 1: Identifying Speed Sensor - Front Wheel
G03864862Courtesy of SAAB-SCANIA OF AMERICA, INC.
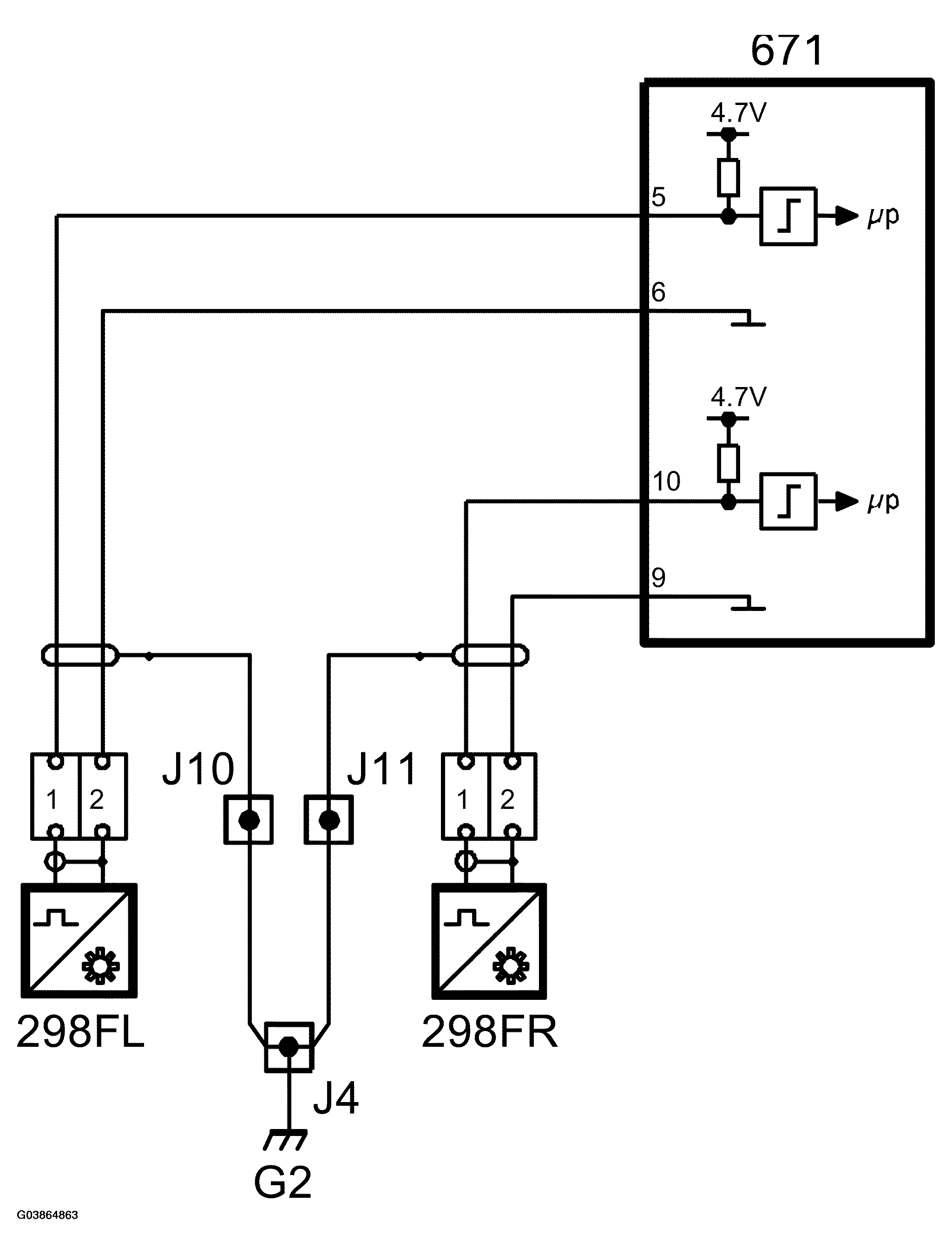
Fig 2: Circuit Diagram - Speed Sensor Front Wheel
G03864863Courtesy of SAAB-SCANIA OF AMERICA, INC.

The front left wheel speed sensor sends wheel speed data to pin 5 on the control module. The sensor is grounded on pin 6.

The front right wheel speed sensor sends wheel speed data to pin 10 on the control module. The sensor is grounded on pin 9.

Mounted on the right-hand and left-hand outboard drive shaft CV joints is a toothed wheel with 29 teeth. A sensor of inductive type is mounted on each steering swivel member. The gap between sensor and toothed wheel must be 0.3-1.3 mm and is not adjustable.

The proximity sensor works like a small alternator, the sine-wave voltage of which increases with increasing wheel speed. The sine-wave voltage alternates between positive and negative polarity, which is achieved by alternate teeth and gaps on the toothed wheel.

By measuring the frequency, the control module can determine the speed of each wheel.

A wheel speed of 20 km/h (12.5 mph) will give approximately 2 V AC 70 Hz

The ESP control module uses information on wheel speed to calculate the speed of the wheels in relation to each other. If the difference exceeds the limits, the control module will compensate for this by requesting braking and/or lowered engine torque.