lemon-mirror:
Home >> Saab >> 2005 >> 9-5 Linear, Automatic >> Repair and Diagnosis >> Engine Performance >> TRIONIC T7 Fuel Control System, 4-CYL. >> Technical Description >> Ignition Discharge Module >> Combustion signals, synchronization

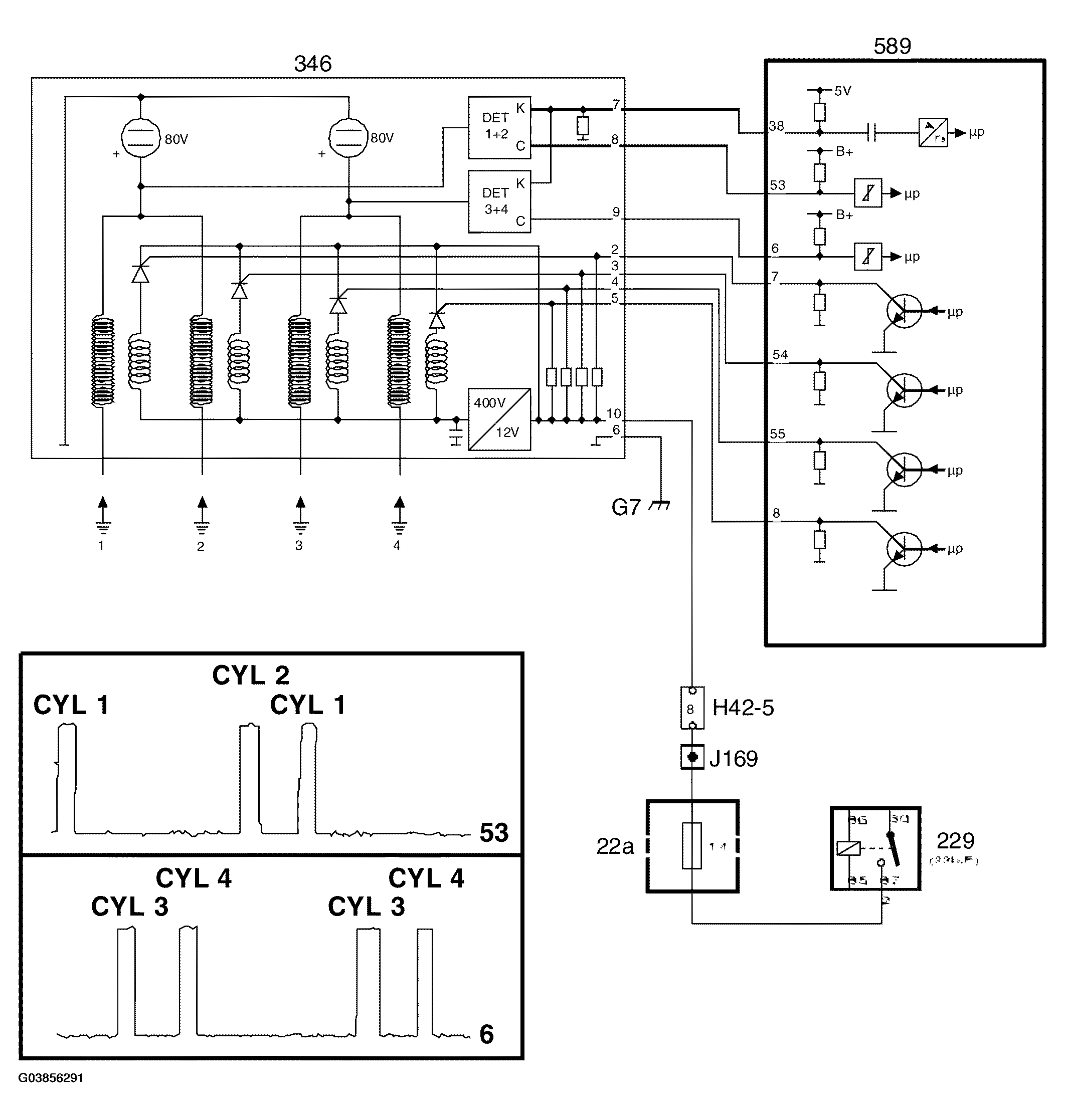
Combustion signals, synchronization

Fig 1: Combustion Signals, Synchronization - Circuit Diagram
G03856291Courtesy of SAAB-SCANIA OF AMERICA, INC.

Trionic T7 does not have a camshaft sensor, which is normally a condition for sequential knock control and fuel injection.

On starting, the control module is not aware of which of the cylinders 1 or 4 that is in compression position. Consequently, ignition takes place in both cylinder 1 and 4 simultaneously. Ignition in cylinders 2 and 3 takes place in the same way.

The control module must determine if combustion has taken place in cylinder 1 or cylinder 4, respectively cylinder 2 or 3, when they are triggered.

This is achieved in the following way:

One of the poles on the secondary windings of the 4 ignition coils is connected to the respective spark plug as normal. The other pole is not grounded directly but is connected to 80V. This means that 80V is always present across the spark plug gap except just as the spark is produced.

When combustion has taken place, the temperature in the combustion chamber is extremely high. The gases ionize and start to conduct current. This means that a current passes across the spark plug gap without producing a spark.

Once the circuit across the spark plug gap has been completed, the 80V will drop sharply. The drop in voltage will be proportional to the pressure and temperature in the combustion chamber.

Two detectors measure the voltage drop across the cylinder pairs 1+2 and 3+4 respectively. If combustion takes place in cylinder 1 or 2, the ignition discharge module will send a B+ pulse to control module pin 53. In the same way, the ignition discharge module will send a B+ pulse to control module 6 if combustion takes place in cylinder 3 or 4.

If cylinder 1 and 4 are triggered and a B+ pulse is received on control module pin 53 at the same time, the control module will be made aware that cylinder 1 has fired.

As soon as the combustion signals arrive at control module pin 53 or 6, both ignition and fuel injection are synchronized to the engine firing order.

The combustion signals are also used to detect misfiring.

Fig 2: Illustration For Steps 1-4
G03856292Courtesy of SAAB-SCANIA OF AMERICA, INC.