lemon-mirror:
Home >> Saab >> 2006 >> 9-3 2.0T, 2D Convertible, Automatic >> Repair and Diagnosis >> Engine Performance >> System >> TRIONIC T8 Fuel Control System >> Component Locator >> Crimp J40, engine harness, Trionic >> Notes

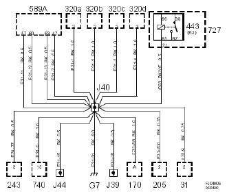
Crimp J40, engine harness, Trionic: Notes

Location:  Approximately 190 mm from crankshaft position sensor branching point towards the engine control module

Fig 1: Identifying Engine Harness Circuit Diagram For Crimp J40
G05052803Courtesy of SAAB-SCANIA OF AMERICA, INC.