lemon-mirror:
Home >> Saab >> 2011 >> 9-3X Automatic >> Repair and Diagnosis >> Engine Performance >> TRIONIC T8 Fuel Control System >> Component Locator >> Crimp J37, engine harness, Trionic >> Notes

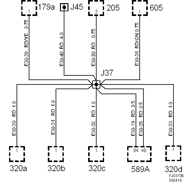
Crimp J37, engine harness, Trionic: Notes

Location:  Approx. 260 mm from branching of crankshaft sensor towards the engine control module

Fig 1: Crimp J37, Engine Harness, Trionic - Circuit Diagram
G06230738Courtesy of SAAB-SCANIA OF AMERICA, INC.