lemon-mirror:
Home >> Saab >> 2011 >> 9-5 Turbo6 >> Repair and Diagnosis >> Body & Frame >> Seats >> Wiring diagram >> Module Power, Ground, Serial Data, and Controls >> Notes

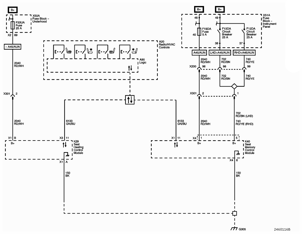
Module Power, Ground, Serial Data, and Controls: Notes

Fig 1: Module Power, Ground, Serial Data And Controls - Circuit Diagram
G09438152Courtesy of SAAB-SCANIA OF AMERICA, INC.