lemon-mirror:
Home >> Saturn >> 2000 >> SW2 Automatic >> Repair and Diagnosis >> Engine Performance >> Fuel Delivery >> Fuel System >> General Description >> Fuel Supply System

Fuel Supply System

All new Saturn vehicles are certified by the United States Environmental Protection Agency (EPA) as conforming to the requirements of the regulations for the control of air pollution from new motor vehicles. This certification is contingent on certain adjustments being set to factory standards. In most cases, these adjustment points have been either permanently sealed and/or made inaccessible to prevent indiscriminate or routine adjustments in the field. For this reason, the factory procedure for temporarily removing plugs, caps, etc., for purposes of servicing the product must be strictly followed and, wherever practical, returned to the original intent of this design.

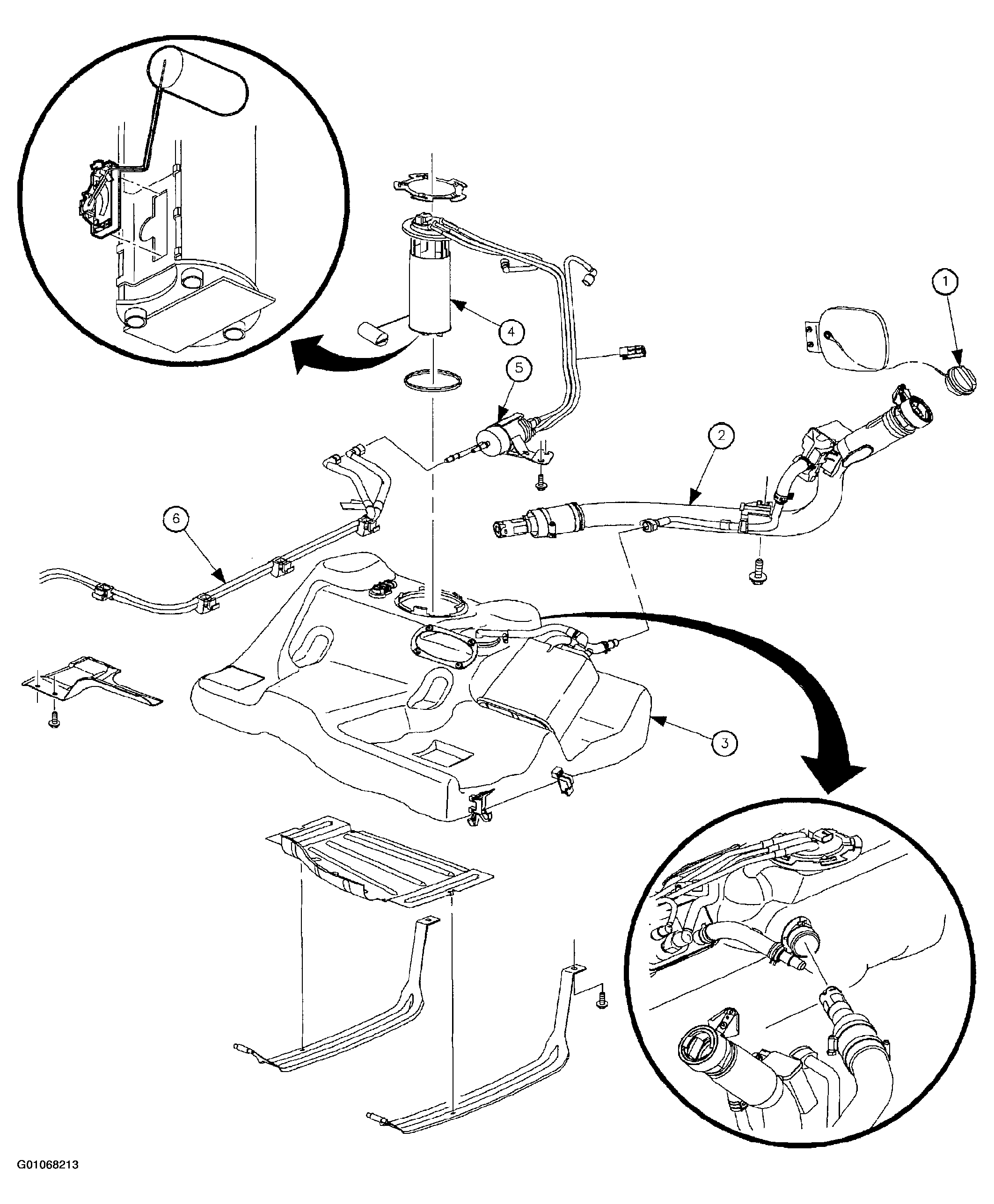
The Saturn fuel system is made up of the components involved in the dispensing, storage, and delivery of gasoline to the engine. It is made up of the following components:

  1. Fuel filler cap
  2. Fuel filler pipe
  3. Fuel tank
  4. Fuel pump module
  5. Fuel filter/pressure regulator
  6. Fuel lines
    Fig 1: Fuel System Components
    G01068213Courtesy of GENERAL MOTORS CORP.