lemon-mirror:
Home >> Saturn >> 2002 >> L200 Automatic >> Repair and Diagnosis >> External Pages >> Different car >> Section 249 (Rear Suspension System) >> Repair Instructions >> Rear Transverse Spring Replacement >> Installation Procedure

Installation Procedure

WARNING: This page is about a different car, the 2004 Chevrolet Corvette. However, it is still accessible from the selected car via links, so may be relevant.
    Fig 1: J 33432-A & Spring
    GM65323Courtesy of GENERAL MOTORS CORP.
  1. If the transverse spring is a replacement, install J 33432-A  to the transverse spring and compress the spring.
  2. Install the rear transverse spring to the vehicle.
  3. NOTE: Refer to Fastener Notice in Cautions and Notices.
  4. Install the rear transverse spring spacers, insulators and mounting brackets to the crossmember.

    Tighten:  Tighten the rear transverse spring mounting bracket bolts to 62 N.m (46 lb ft).

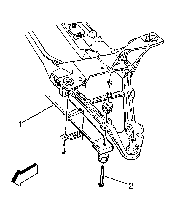
  5. Fig 2: Transverse Spring, Nuts & Bolts
    GM65327Courtesy of GENERAL MOTORS CORP.
  6. Position the transverse spring (1) to the lower control arms and install the spring bolts (2), insulators and nuts.
  7. Release and remove J 33432-A  from the transverse spring.
  8. Fig 3: Measuring The Spring Stud Height
    GM200316Courtesy of GENERAL MOTORS CORP.
    IMPORTANT: The rear transverse spring stud bolt must have a minimum of 2 threads showing above the nut.
  9. Set the transverse spring stud height (1) to the height measured during removal.
  10. Install the retainers to the bolts.
  11. Install the tire and wheel assembly. Refer to Tire and Wheel Removal and Installation in Tires and Wheels.
  12. Lower the vehicle.