lemon-mirror:
Home >> Scion >> 2004 >> xA Standard >> Repair and Diagnosis >> Body & Frame >> Windows >> Power Window Control System >> Inspection

Power Window Control System: Inspection

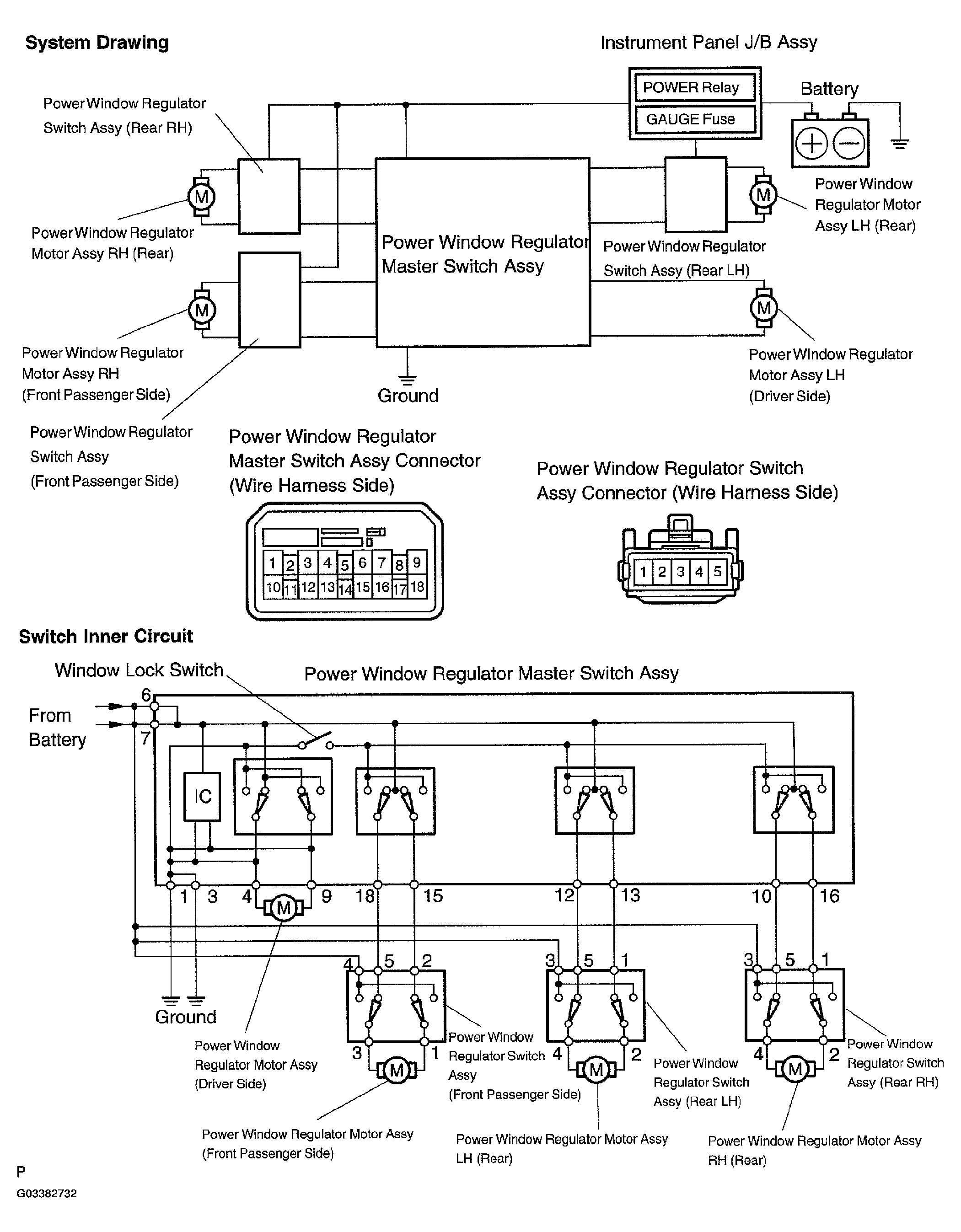
  1. POWER WINDOW SYSTEM CIRCUIT 
    Fig 1: Power Window System Circuit Diagram
    G03382732Courtesy of © TOYOTA, LICENSE AGREEMENT TMS1002
  2. INSPECT POWER WINDOW REGULATOR MASTER SWITCH ASSY 
    1. Check the resistance between each terminal of the connector when the switch is operated.
      Fig 2: Inspecting Power Window Regulator Master Switch Assembly
      G03382733Courtesy of © TOYOTA, LICENSE AGREEMENT TMS1002

      Standard: 

      Driver switch 

      SPECIFIED CONDITION

      Window Lock Switch Condition Power Window Switch Condition Tester Connection Specified Condition
      Constant (ON/OFF) UP 1 - 9 Below 1Ω
      3 - 9
      4 - 6
      4 - 7
      OFF 1 - 4
      3 - 4
      1 - 9
      3 - 9
      DOWN 1 - 4
      3 - 4
      6 - 9
      7 - 9
      AUTO DOWN 1 - 4
      3 - 4
      6 - 9
      7 - 9

      Front passenger switch 

      SPECIFIED CONDITION

      Window Lock Switch Condition Power Window Switch Condition Tester Connection Specified Condition
      OFF UP 1 - 15 Below 1Ω
      3 - 15
      6 - 18
      7 - 18
      OFF 1 - 15
      3 - 15
      1 - 18
      3 - 18
      DOWN 1 - 18
      3 - 18
      6 - 15
      7 - 15
      ON UP 6 - 18
      7 - 18
      OFF
      DOWN 6 - 15
      7 - 15

      Rear LH switch 

      SPECIFIED CONDITION

      Window Lock Switch Condition Power Window Switch Condition Tester Connection Specified Condition
      OFF UP 1 - 13 Below 1Ω
      3 - 13
      6 - 12
      7 - 12
      OFF 1 - 12
      3 - 12
      1 - 13
      3 - 13
      DOWN 1 - 12
      3 - 12
      6 - 13
      7 - 13
      ON UP 6 - 12
      7 - 12
      OFF
      DOWN 6 - 13
      7 - 13

      Rear RH switch 

      SPECIFIED CONDITION

      Window Lock Switch Condition Power Window Switch Condition Tester Connection Specified Condition
      OFF UP 1 - 16 Below 1Ω
      3 - 16
      6 - 10
      7 - 10
      OFF 1 - 10
      3 - 10
      1 - 16
      3 - 16
      DOWN 1 - 10
      3 - 10
      6 - 16
      7 - 16
      ON UP 6 - 10
      7 - 10
      OFF 10 - 16
      DOWN 6 - 16
      7 - 16

      If the result is not as specified, replace the master switch assy.

    2. Apply battery voltage to the master switch terminals and check the AUTO lamp.
      Fig 3: Applying Battery Voltage To Master Switch Terminals
      G03382734Courtesy of © TOYOTA, LICENSE AGREEMENT TMS1002

      Standard: 

      MEASUREMENT CONNECTION AND SPECIFIED CONDITION

      Measurement Condition Specified Condition
      Battery positive (+) --> Terminal 6
      Battery negative (-) --> Terminal 3
      AUTO lamp illuminates

      If the result is not as specified, replace the master switch assy.

  3. INSPECT POWER WINDOW REGULATOR SWITCH ASSY 
    Fig 4: Identifying Power Window Regulator Switch Assembly
    G03382735Courtesy of © TOYOTA, LICENSE AGREEMENT TMS1002
    1. Check the resistance between each terminal of the connector when the switch is operated.

      Standard: 

      SWITCH CONNECTION AND SPECIFIED CONDITION

      Switch Condition Tester Connection Specified Condition
      UP 1 - 2 Below 1Ω
      3 - 4
      OFF 1 - 2
      3 - 5
      DOWN 1 - 4
      3 - 5

      If the result is not as specified, replace the regulator switch assy.

  4. INSPECT POWER WINDOW REGULATOR MOTOR 
    1. Check operation of the regulator motor.
      NOTE:
      • The driver side and rear RH regulator motors should be inspected using the same procedure.
      • The passenger side and rear LH regulator motors should be inspected using the same procedure.
      1. Apply battery voltage to the motor terminals.
      2. Check that the motor operates smoothly.

        Standard: 

        Driver side and rear RH 

        MEASUREMENT CONNECTION AND SPECIFIED CONDITION

        Measurement Condition Specified Condition
        Battery positive (+) --> Terminal 4
        Battery negative (-) --> Terminal 5
        Motor gear rotates clockwise
        Battery positive (+) --> Terminal 5
        Battery negative (-) --> Terminal 4
        Motor gear rotates counterclockwise

        Front passenger side and rear LH 

        MEASUREMENT CONNECTION AND SPECIFIED CONDITION

        Measurement Condition Specified Condition
        Battery positive (+) --> Terminal 5
        Battery negative (-) --> Terminal 4
        Motor gear rotates clockwise
        Battery positive (+) --> Terminal 4
        Battery negative (-) --> Terminal 5
        Motor gear rotates counterclockwise

        If the result is not as specified, replace the motor assy.

        Fig 5: Inspecting Power Window Regulator Motor
        G03382736Courtesy of © TOYOTA, LICENSE AGREEMENT TMS1002
    2. Check operation of the PTC inside the regulator motor.
      NOTE: The work must be performed with the power window regulator and door glass installed to the vehicle.
      1. Set an electrical tester DC 400 A probe to the wire harness of terminal 4 or 5.
        NOTE: Match the arrow mark of the probe with the current direction.
        Fig 6: Identifying Door Glass In Fully Closed Position
        G03382737Courtesy of © TOYOTA, LICENSE AGREEMENT TMS1002
      2. Fully close the door glass by operating the power window switch and keep the door glass there for approx. 60 seconds.
      3. Try to operate the power window past the fully closed position using the power window switch and measure the time until the electrical current changes into 1 A from 16 to 34 A (Inspection of current shut-off).

        Standard: 4 to 90 seconds 

      4. Check that the door glass goes down when the power window regulator switch is pushed DOWN.

        If the result is not as specified, replace the motor assy.

        Fig 7: Identifying Door Glass In Down Position
        G03382738Courtesy of © TOYOTA, LICENSE AGREEMENT TMS1002
  5. INSPECT RELAY (POWER) 
    1. Remove the POWER relay from the instrument panel J/B.
    2. Check the resistance between each terminal of the relay.
      Fig 8: Checking Resistance Between Each Terminal Of Relay
      G03382739Courtesy of © TOYOTA, LICENSE AGREEMENT TMS1002

      Standard: 

      TESTER CONNECTION AND SPECIFIED CONDITION

      Tester Connection Specified Condition
      3 - 5 10 kΩ or higher
      Below 1Ω (When battery voltage is applied to terminals 1 and 2)

      If the result is not as specified, replace the relay.