lemon-mirror:
Home >> Scion >> 2005 >> tC Automatic >> Repair and Diagnosis >> Electrical >> Gauges >> Combination Meter >> Location

Combination Meter: Location

Fig 1: Identifying Combination Meter Components Location (1 Of 3)
G03065160Courtesy of © TOYOTA, LICENSE AGREEMENT TMS1002
Fig 2: Identifying Combination Meter Components Location (2 Of 3)
G03065161Courtesy of © TOYOTA, LICENSE AGREEMENT TMS1002
Fig 3: Identifying Combination Meter Components Location (3 Of 3)
G03065162Courtesy of © TOYOTA, LICENSE AGREEMENT TMS1002
Fig 4: Identifying Combination Meter Connector (C6)
G03065163Courtesy of © TOYOTA, LICENSE AGREEMENT TMS1002
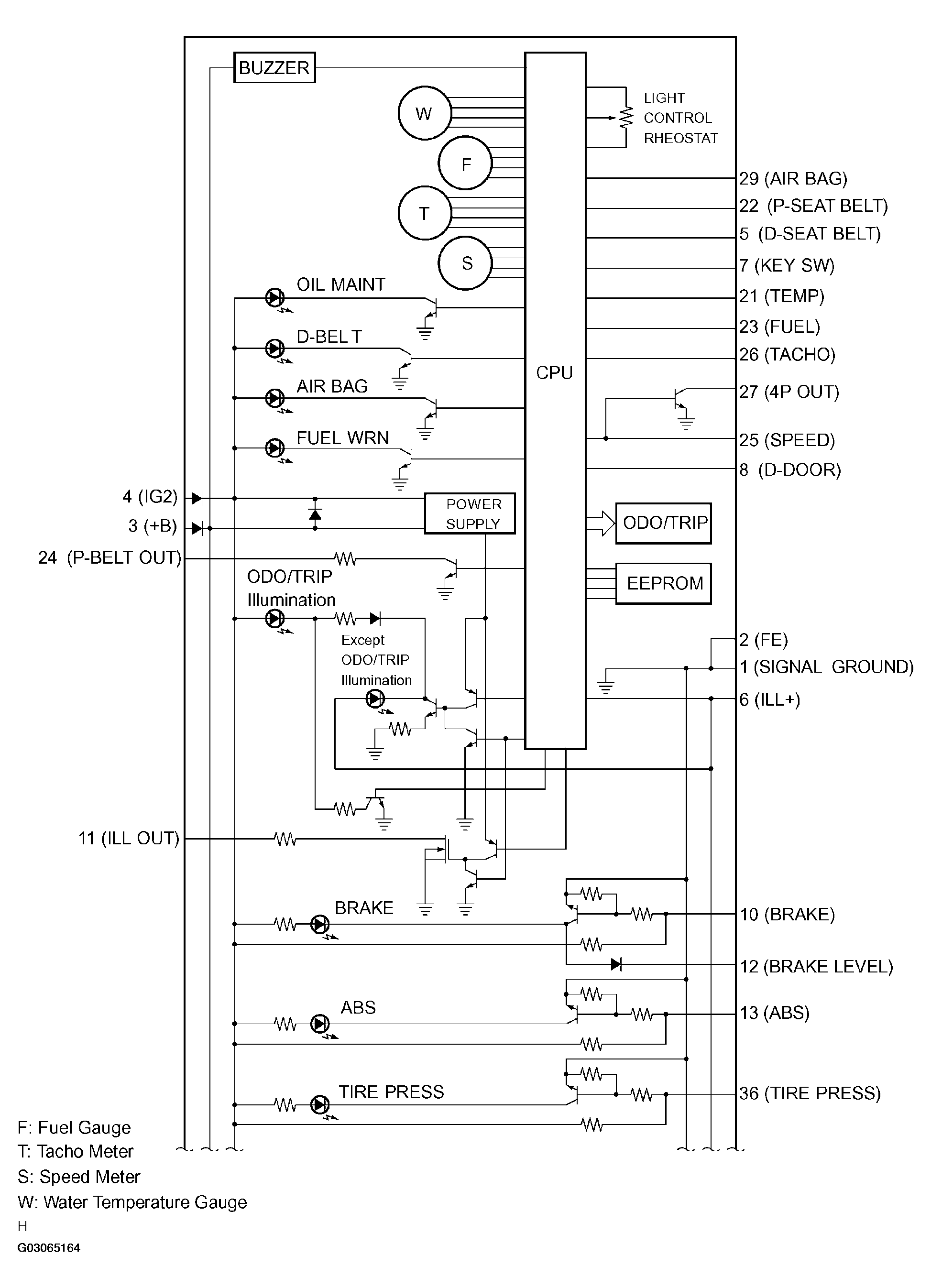
Fig 5: System Diagram - Combination Meter (1 Of 2)
G03065164Courtesy of © TOYOTA, LICENSE AGREEMENT TMS1002
Fig 6: System Diagram - Combination Meter (2 Of 2)
G03065165Courtesy of © TOYOTA, LICENSE AGREEMENT TMS1002
Fig 7: Combination Meter Terminals Number And Wire Harness Side Chart
G03065166Courtesy of © TOYOTA, LICENSE AGREEMENT TMS1002