lemon-mirror:
Home >> Scion >> 2005 >> xA Automatic >> Repair and Diagnosis >> Electrical >> Gauges >> Combination Meter >> System Diagram

System Diagram

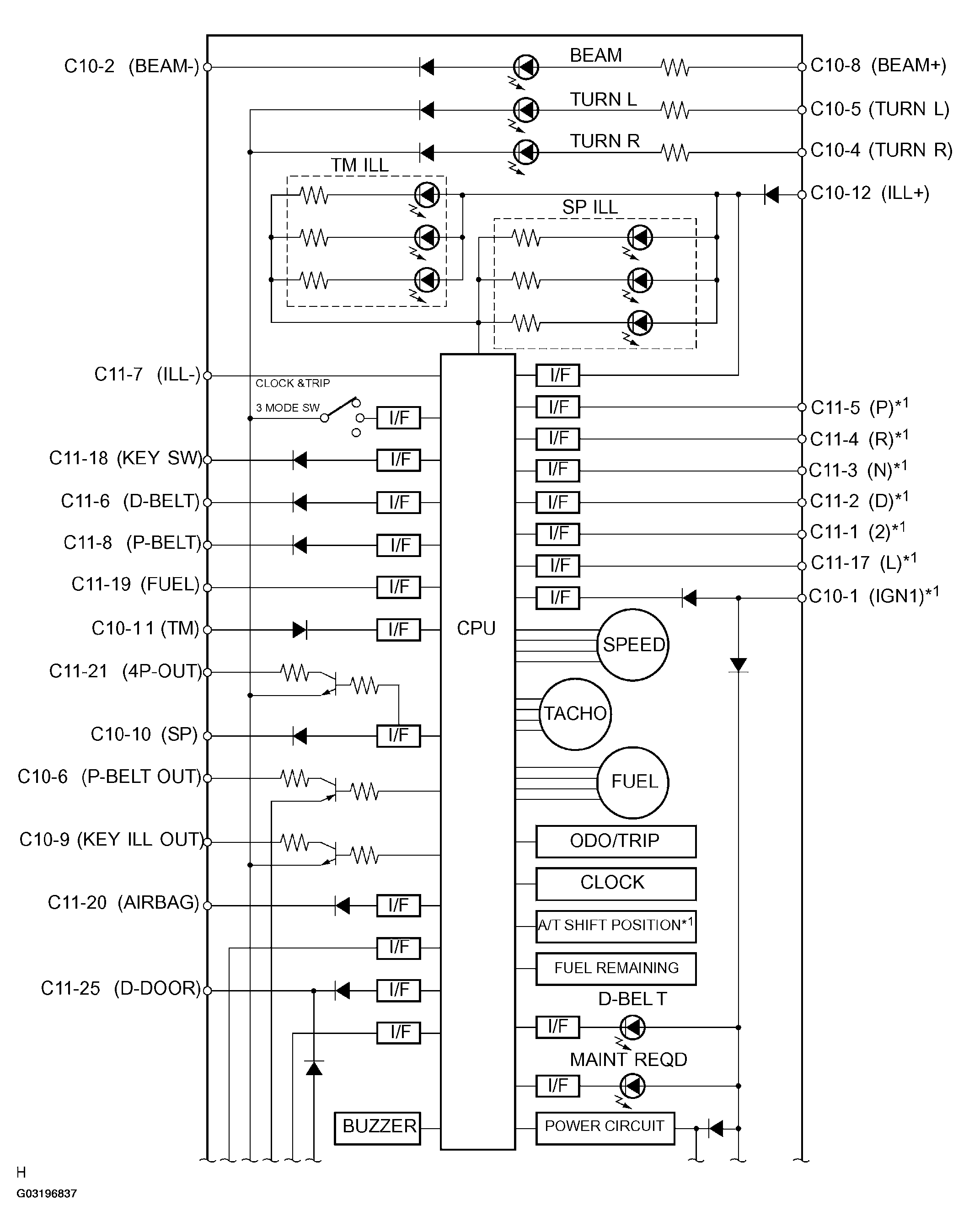
Fig 1: Combination Meter System Diagram (1 Of 3)
G03196837Courtesy of © TOYOTA, LICENSE AGREEMENT TMS1002
Fig 2: Combination Meter System Diagram (2 Of 3)
G03196838Courtesy of © TOYOTA, LICENSE AGREEMENT TMS1002
Fig 3: Combination Meter System Diagram (3 Of 3)
G03196839Courtesy of © TOYOTA, LICENSE AGREEMENT TMS1002