lemon-mirror:
Home >> Scion >> 2005 >> xB Automatic >> Repair and Diagnosis >> Body & Frame >> Windows >> Windshield/WINDOWGLASS/Mirror >> Power Window Control System >> Inspection

Power Window Control System: Inspection

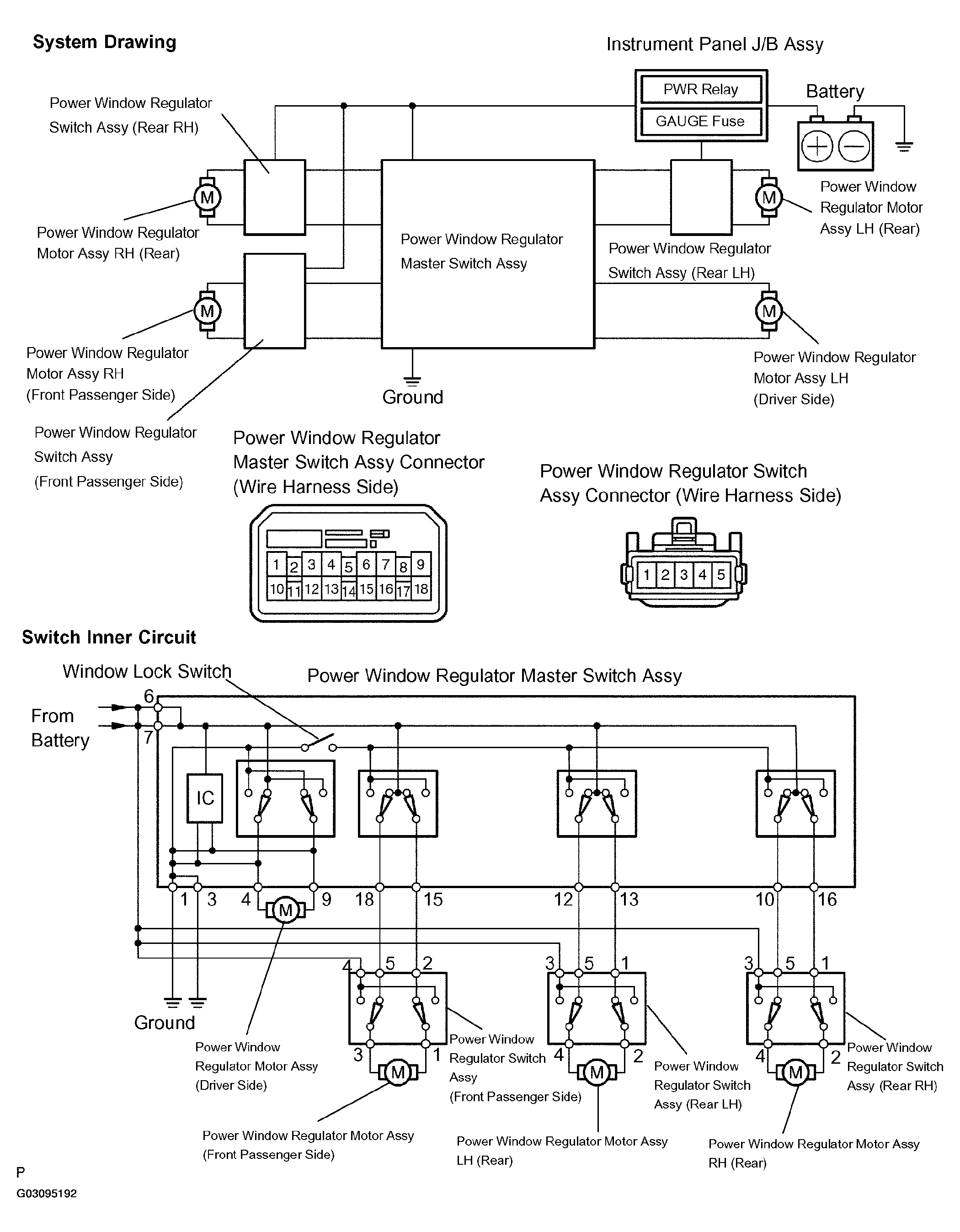
  1. POWER WINDOW SYSTEM CIRCUIT 
    Fig 1: Power Window System Drawing And Switch Inner Circuit
    G03095192Courtesy of © TOYOTA, LICENSE AGREEMENT TMS1002
  2. INSPECT POWER WINDOW REGULATOR MASTER SWITCH ASSY 
    1. Measure the resistance between each terminal of the connector when the switch is operated.
      Fig 2: Identifying Power Window Regulator Master Switch Assy Components
      G03095193Courtesy of © TOYOTA, LICENSE AGREEMENT TMS1002

      Standard: 

      Fig 3: Driver Switch Testing Conditions Table
      G03095194Courtesy of © TOYOTA, LICENSE AGREEMENT TMS1002
      Fig 4: Front Passenger Switch Testing Conditions Table
      G03095195Courtesy of © TOYOTA, LICENSE AGREEMENT TMS1002
      Fig 5: Rear LH Switch Testing Conditions Table
      G03095196Courtesy of © TOYOTA, LICENSE AGREEMENT TMS1002
      Fig 6: Rear RH Switch Testing Conditions Table
      G03095197Courtesy of © TOYOTA, LICENSE AGREEMENT TMS1002

      If the result is not as specified, replace the master switch assy.

    2. Apply battery voltage to the master switch terminal, and check the AUTO lamp.

      Standard: 

      AUTO LAMP TESTING CONDITIONS

      Measurement Condition Specified Condition
      Battery positive (+) -> Terminal 6
      Battery negative (-) -> Terminal 3
      AUTO lamp illuminates

      If the result is not as specified, replace the master switch assy.

      Fig 7: Applying Battery Voltage To Master Switch Terminal And Checking AUTO Lamp
      G03095198Courtesy of © TOYOTA, LICENSE AGREEMENT TMS1002
  3. INSPECT POWER WINDOW REGULATOR SWITCH ASSY 
    1. Measure the resistance between each terminal of the connector when the switch is operated.

      Standard: 

      Fig 8: Power Window Regulator Switch Testing Conditions Table
      G03095199Courtesy of © TOYOTA, LICENSE AGREEMENT TMS1002

      If the result is not as specified, replace the regulator switch assy.

      Fig 9: Identifying Power Window Regulator Switch Connector Terminals
      G03095200Courtesy of © TOYOTA, LICENSE AGREEMENT TMS1002
  4. INSPECT POWER WINDOW REGULATOR MOTOR ASSY LH (DRIVER SIDE) 
    1. Check operation of the regulator motor.
      1. Apply battery voltage to the motor terminals.
      2. Check that the motor rotates smoothly.

      Standard: 

      POWER WINDOW REGULATOR MOTOR ASSY LH (DRIVER SIDE) TESTING CONDITIONS

      Measurement Condition Specified Condition
      Battery positive (+) -> Terminal 5
      Battery negative (-) -> Terminal 4
      Motor gear rotates clockwise
      Battery positive (+) -> Terminal 4
      Battery negative (-) -> Terminal 5
      Motor gear rotates counterclockwise

      If the result is not as specified, replace the motor assy.

      Fig 10: Identifying Power Window Regulator Motor Assy (LH)
      G03095201Courtesy of © TOYOTA, LICENSE AGREEMENT TMS1002
    2. Check operation of the PTC inside the regulator motor.
      NOTE: The work must be performed with the power window regulator and door glass installed in the vehicle.
      1. Set an electrical tester DC 400 A probe to the wire harness of terminal 4 or 5.
        NOTE: Match the arrow mark of the probe with the current direction.
      2. Fully close the door glass by operating the power window switch and wait approximately 60 seconds.
      3. Operate the power window switch in the close direction again. Measure the time until the electrical current changes into 1 A from 16 to 34 A (Inspection of current shut-off).
      4. Standard: 4 to 90 seconds 
      5. Check that the door glass goes down when the power window regulator switch is pushed DOWN.

      If the result is not as specified, replace the motor assy.

  5. INSPECT POWER WINDOW REGULATOR MOTOR ASSY RH (FRONT PASSENGER SIDE) 
    1. Check operation of the regulator motor.
      1. Apply battery voltage to the motor terminals.
      2. Check that the motor rotates smoothly.

      Standard: 

      POWER WINDOW REGULATOR MOTOR ASSY RH (FRONT PASSENGER SIDE) TESTING CONDITIONS

      Measurement Condition Specified Condition
      Battery positive (+) -> Terminal 4
      Battery negative (-) -> Terminal 5
      Motor gear rotates clockwise
      Battery positive (+) -> Terminal 5
      Battery negative (-) -> Terminal 4
      Motor gear rotates counterclockwise

      If the result is not as specified, replace the motor assy.

      Fig 11: Identifying Power Window Regulator Motor Assy (RH) (Front Passenger Side)
      G03095202Courtesy of © TOYOTA, LICENSE AGREEMENT TMS1002
    2. Check operation of the PTC inside the regulator motor.
      NOTE: The work must be performed with the power window regulator and door glass installed to the vehicle.
      1. Set an electrical tester DC 400 A probe to the wire harness of terminal 4 or 5.
        NOTE: Match the arrow mark of the probe with the current direction.
      2. Fully close the door glass by operating the power window switch and wait approximately 60 seconds.
      3. Operate the power window switch in the close direction again. Measure the time until the electrical current changes into 1 A from 16 to 34 A (Inspection of current shut-off).

        Standard: 4 to 90 seconds 

      4. Check that the door glass goes down when the power window regulator switch is pushed DOWN.

      If the result is not as specified, replace the motor assy.

  6. INSPECT POWER WINDOW REGULATOR MOTOR ASSY LH (REAR) 
    1. Check operation of the regulator motor.
      1. Apply battery voltage to the motor terminals.
      2. Check that the motor rotates smoothly.

      Standard: 

      POWER WINDOW REGULATOR MOTOR ASSY LH (REAR) TESTING CONDITIONS

      Measurement Condition Specified Condition
      Battery positive (+) -> Terminal 2
      Battery negative (-) -> Terminal 1
      Motor gear rotates clockwise
      Battery positive (+) -> Terminal 1
      Battery negative (-) -> Terminal 2
      Motor gear rotates counterclockwise

      If the result is not as specified, replace the motor assy.

      Fig 12: Identifying Power Window Regulator Motor Assy LH (Rear)
      G03095203Courtesy of © TOYOTA, LICENSE AGREEMENT TMS1002
    2. Check operation of the PTC inside the regulator motor.
      NOTE: The work must be performed with the power window regulator and door glass installed to the vehicle.
      1. Set an electrical tester DC 400 A probe to the wire harness of terminal 1 or 2.
        NOTE: Match the arrow mark of the probe with the current direction.
      2. Fully close the door glass by operating the power window switch and wait approximately 60 seconds.
      3. Operate the power window switch in the close direction again. Measure the time until the electrical current changes into 1 A from 16 to 34 A (Inspection of current shut-off).

        Standard: 4 to 90 seconds 

      4. Check that the door glass goes down when the power window regulator switch is pushed DOWN.

      If the result is not as specified, replace the motor assy.

  7. INSPECT POWER WINDOW REGULATOR MOTOR ASSY RH (REAR) 
    1. Check operation of the regulator motor.
      1. Apply battery voltage to the motor terminals.
      2. Check that the motor rotates smoothly.

      Standard: 

      POWER WINDOW REGULATOR MOTOR ASSY RH (REAR) TESTING CONDITIONS

      Measurement Condition Specified Condition
      Battery positive (+) -> Terminal 1
      Battery negative (-) -> Terminal 2
      Motor gear rotates clockwise
      Battery positive (+) -> Terminal 2
      Battery negative (-) -> Terminal 1
      Motor gear rotates counterclockwise

      If the result is not as specified, replace the motor assy.

      Fig 13: Identifying Power Window Regulator Motor Assy RH (Rear)
      G03095204Courtesy of © TOYOTA, LICENSE AGREEMENT TMS1002
    2. Check operation of the PTC inside the regulator motor.
      NOTE: The work must be performed with the power window regulator and door glass installed to the vehicle.
      1. Set an electrical tester DC 400 A probe to the wire harness of terminal 1 or 2.
        NOTE: Match the arrow mark of the probe with the current direction.
      2. Fully close the door glass by operating the power window switch and wait approximately 60 seconds.
      3. Operate the power window switch in the close direction again. Measure the time until the electrical current changes into 1 A from 16 to 34 A (Inspection of current shut-off).

        Standard: 4 to 90 seconds 

      4. Check that the door glass goes down when the power window regulator switch is pushed DOWN.

      If the result is not as specified, replace the motor assy.

  8. INSPECT POWER WINDOW RELAY (PWR) 
    1. Remove the PWR relay from the instrument panel J/B.
    2. Measure the resistance between each terminal of the the PWR relay.

      Standard: 

      POWER WINDOW RELAY (PWR) TESTING CONDITIONS

      Tester Connection Specified Condition
      3 - 5 10 kΩ or higher
      Below 1 Ω (When battery voltage is applied to terminals 1 and 2)

      If the result is not as specified, replace the relay.

      Fig 14: Identifying Power Window Relay (PWR) Circuit And Terminals
      G03095206Courtesy of © TOYOTA, LICENSE AGREEMENT TMS1002