lemon-mirror:
Home >> Scion >> 2006 >> tC Automatic >> Repair and Diagnosis >> Electrical >> Body Electrical >> OEM System Circuits >> Front Wiper and Washer >> Notes

Front Wiper and Washer: Notes

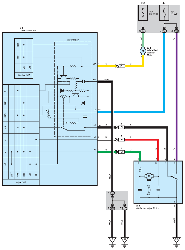
Fig 1: Front Wiper And Washer System Wiring Diagram
G08758329Courtesy of © TOYOTA, LICENSE AGREEMENT TMS1002