lemon-mirror:
Home >> Scion >> 2006 >> tC Automatic >> Repair and Diagnosis >> Electrical >> Body Electrical >> OEM System Circuits >> Illumination >> Notes

OEM System Circuits: Illumination: Notes

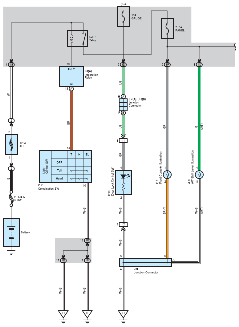
Fig 1: Illumination Wiring Diagram (1 Of 2)
G08758324Courtesy of © TOYOTA, LICENSE AGREEMENT TMS1002
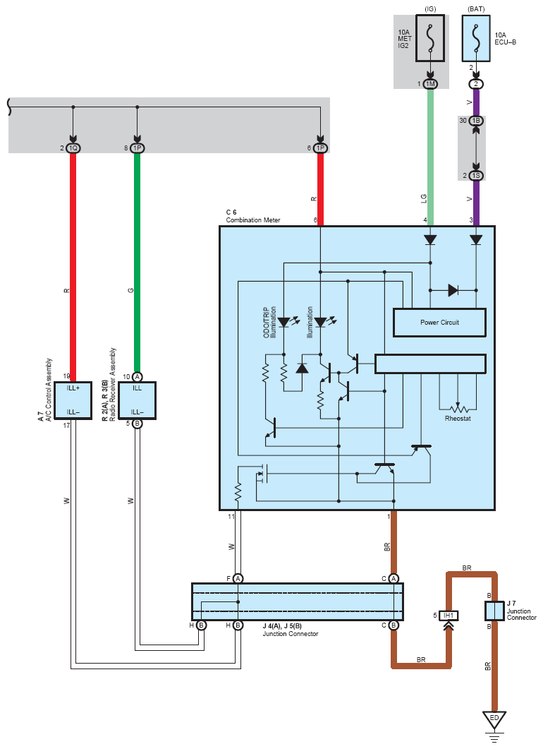
Fig 2: Illumination Wiring Diagram (2 Of 2)
G08758325Courtesy of © TOYOTA, LICENSE AGREEMENT TMS1002