lemon-mirror:
Home >> Scion >> 2006 >> xA Automatic >> Repair and Diagnosis >> Electrical >> Body Electrical >> OEM System Circuits >> ABS without VSC >> Notes

ABS without VSC: Notes

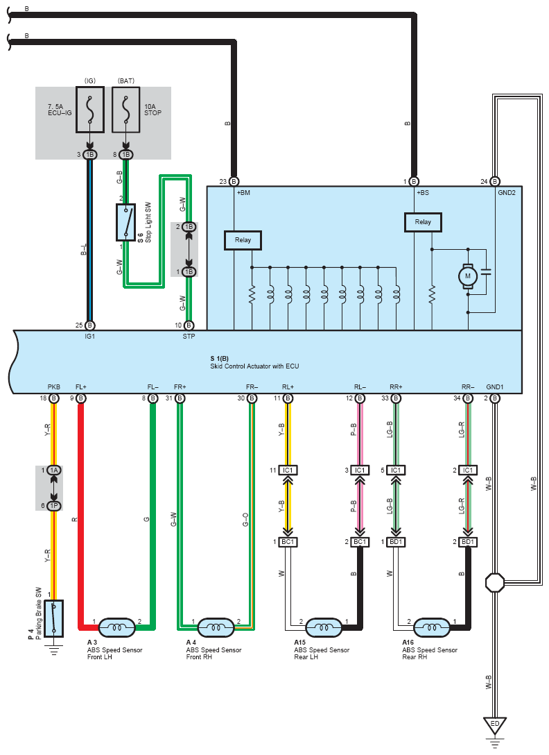
Fig 1: ABS Without VSC System Wiring Diagram (1 Of 2)
G08758684Courtesy of © TOYOTA, LICENSE AGREEMENT TMS1002
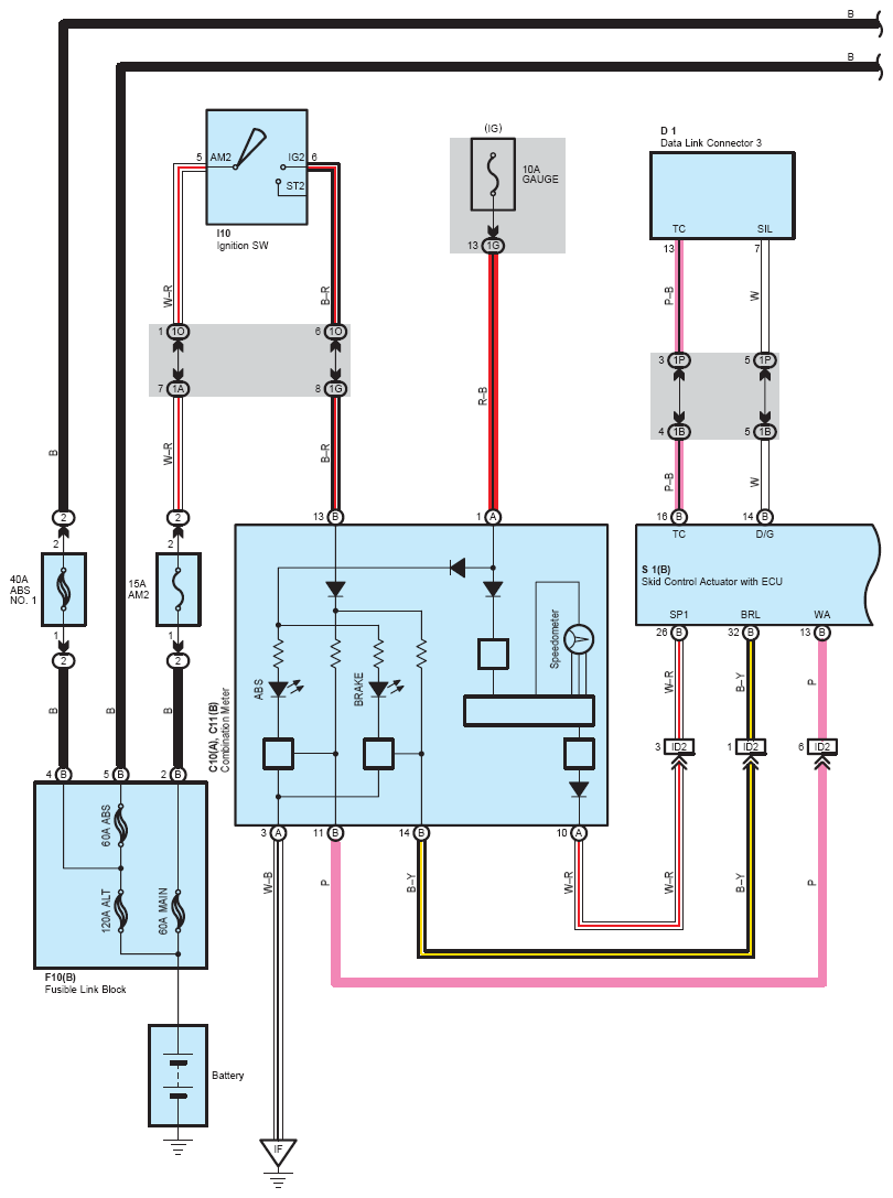
Fig 2: ABS Without VSC System Wiring Diagram (2 Of 2)
G08758685Courtesy of © TOYOTA, LICENSE AGREEMENT TMS1002