lemon-mirror:
Home >> Scion >> 2006 >> xA Automatic >> Repair and Diagnosis >> Electrical >> Body Electrical >> OEM System Circuits >> ECT and A/T Indicator >> Notes

ECT and A/T Indicator: Notes

Fig 1: ECT And A/T Indicator System Wiring Diagram (1 Of 4)
G08758674Courtesy of © TOYOTA, LICENSE AGREEMENT TMS1002
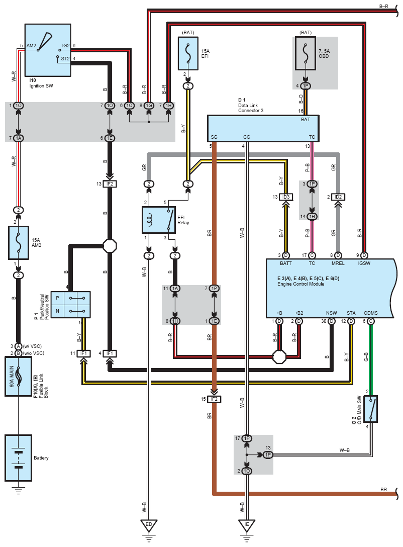
Fig 2: ECT And A/T Indicator System Wiring Diagram (2 Of 4)
G08758675Courtesy of © TOYOTA, LICENSE AGREEMENT TMS1002
Fig 3: ECT And A/T Indicator System Wiring Diagram (3 Of 4)
G08758676Courtesy of © TOYOTA, LICENSE AGREEMENT TMS1002
Fig 4: ECT And A/T Indicator System Wiring Diagram (4 Of 4)
G08758677Courtesy of © TOYOTA, LICENSE AGREEMENT TMS1002