lemon-mirror:
Home >> Scion >> 2006 >> xA Automatic >> Repair and Diagnosis >> Electrical >> Body Electrical >> OEM System Circuits >> Headlight >> Notes

OEM System Circuits: Headlight: Notes

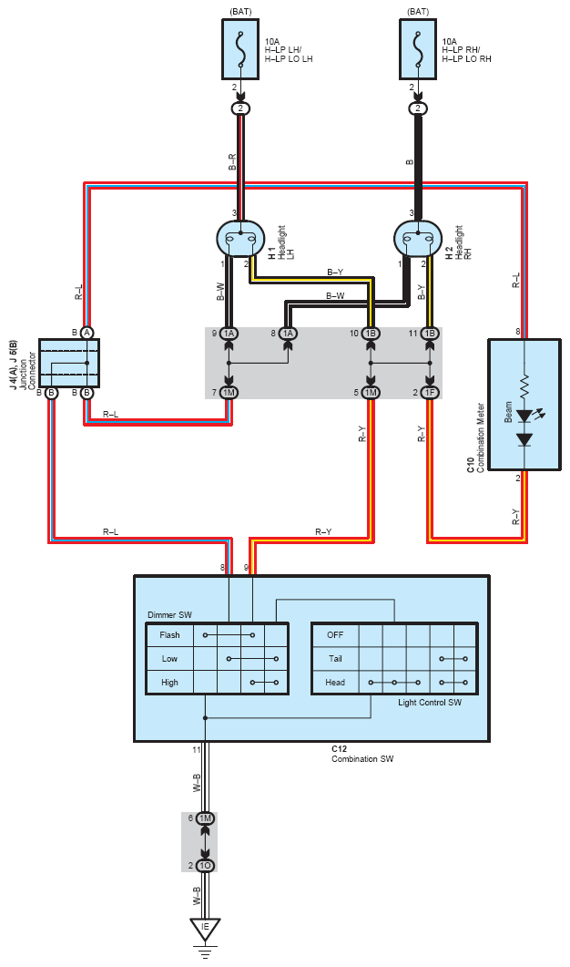
Fig 1: Headlight System Wiring Diagram
G08758657Courtesy of © TOYOTA, LICENSE AGREEMENT TMS1002