lemon-mirror:
Home >> Scion >> 2006 >> xA Automatic >> Repair and Diagnosis >> Electrical >> Body Electrical >> OEM System Circuits >> PTC Heater >> Notes

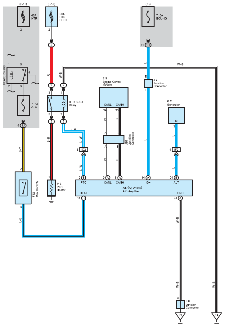
PTC Heater: Notes

Fig 1: PTC Heater System Wiring Diagram
G08758709Courtesy of © TOYOTA, LICENSE AGREEMENT TMS1002