lemon-mirror:
Home >> Scion >> 2006 >> xA Automatic >> Repair and Diagnosis >> Electrical >> Body Electrical >> OEM System Circuits >> Power Window >> Notes

Power Window: Notes

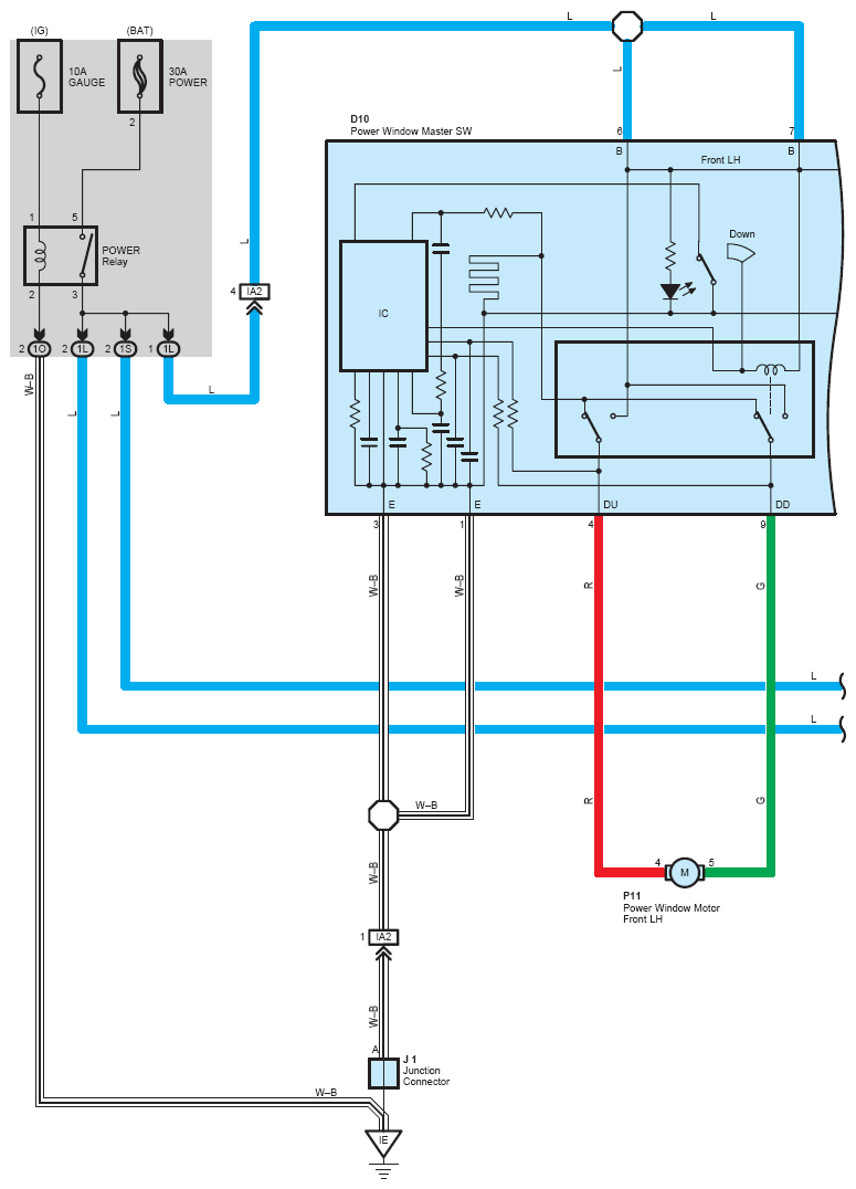
Fig 1: Power Window System Wiring Diagram (1 Of 2)
G08758669Courtesy of © TOYOTA, LICENSE AGREEMENT TMS1002
Fig 2: Power Window System Wiring Diagram (2 Of 2)
G08758670Courtesy of © TOYOTA, LICENSE AGREEMENT TMS1002