lemon-mirror:
Home >> Scion >> 2006 >> xA Automatic >> Repair and Diagnosis >> Electrical >> Body Electrical >> OEM System Circuits >> Two Way Flow Heater >> Notes

Two Way Flow Heater: Notes

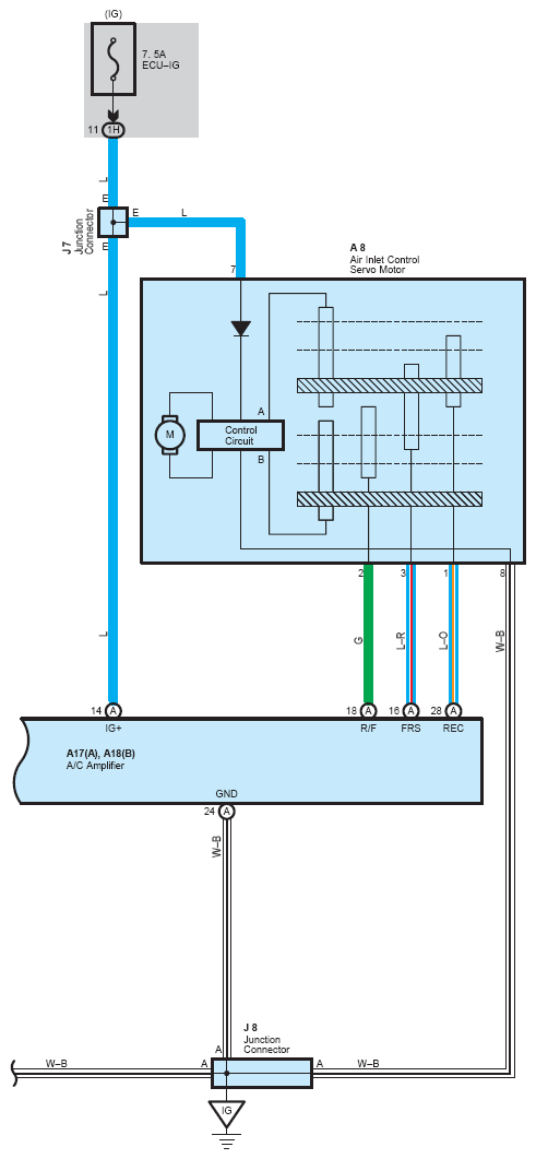
Fig 1: Two Way Flow Heater (1 Of 2)
G08758707Courtesy of © TOYOTA, LICENSE AGREEMENT TMS1002
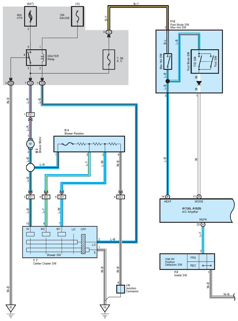
Fig 2: Two Way Flow Heater (2 Of 2)
G08758708Courtesy of © TOYOTA, LICENSE AGREEMENT TMS1002