lemon-mirror:
Home >> Scion >> 2006 >> xA Automatic >> Repair and Diagnosis >> Engine Performance >> Engine Control Systems >> Engine Control System (1NZ-FE) >> Circuit Opening Relay >> On-Vehicle Inspection

On-Vehicle Inspection

  1. DISCONNECT CABLE FROM NEGATIVE BATTERY TERMINAL 
    CAUTION: Wait at least 90 seconds after disconnecting the cable from the negative (-) battery terminal to prevent airbag and seat belt pretensioner activation.
  2. REMOVE CIRCUIT OPENING RELAY (Marking: C/ OPN) 
    1. Remove the circuit opening relay from the instrument panel junction block.
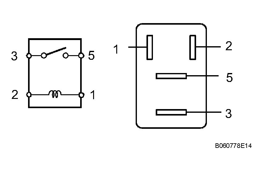
  3. INSPECT CIRCUIT OPENING RELAY 
    1. Measure the resistance of the circuit opening relay.

      Standard resistance 

      TESTER CONNECTION SPECIFIED CONDITION CHART

      Tester Connection Specified Condition
      3 - 5 10 kΩ or higher
      3 - 5 Below 1 Ω (when battery voltage is applied to terminals 1 and 2)

      If the result is not as specified, replace the circuit opening relay.

      Fig 1: Inspecting Circuit Opening Relay
      G04153233Courtesy of © TOYOTA, LICENSE AGREEMENT TMS1002
  4. INSTALL CIRCUIT OPENING RELAY 
  5. CONNECT CABLE TO NEGATIVE BATTERY TERMINAL 
  6. PERFORM INITIALIZATION 
    1. Perform initialization (see INITIALIZATION ).
      NOTE: Certain systems needs to be initialized after disconnecting and reconnecting the cable from the negative (-) battery terminal.