lemon-mirror:
Home >> Scion >> 2006 >> xB Automatic >> Repair and Diagnosis >> Body & Frame >> Windows >> Windshield/Window Glass >> Power Window Control System >> System Diagram

System Diagram

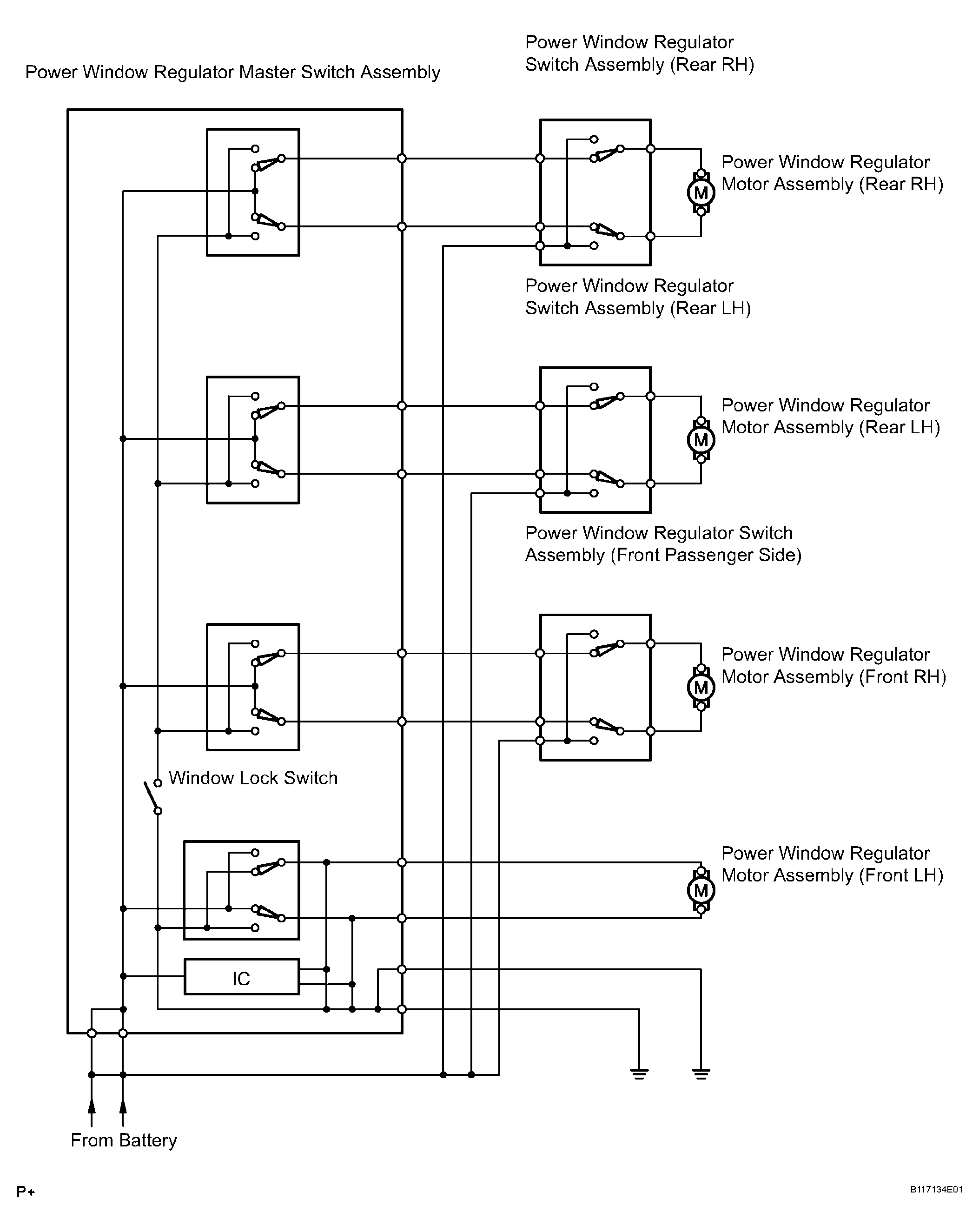
  1. POWER WINDOW CONTROL SYSTEM DIAGRAM 
    Fig 1: Power Window Control System Diagram
    G04229411Courtesy of © TOYOTA, LICENSE AGREEMENT TMS1002
  2. POWER WINDOW SWITCH INNER CIRCUIT 
    Fig 2: Power Window Switch Inner Circuit Diagram
    G04229412Courtesy of © TOYOTA, LICENSE AGREEMENT TMS1002